首页
伤感说说
动漫配图
心情说说
抖音文案
伤感图片
伤感说说:
伤感的句子说说心情
空间说说
心情说说
爱情说说
女生伤感说说
人生感悟
心情不好的说说
说说带图片
关于生活的说说
说说心情短语
qq空间说说带图片
个性说说
励志名言
一句话经典语录
感悟人生的经典句子
短句吧
情感故事
抖音文案
伤感图片:
伤感图片带字
非主流伤感图片
唯美伤感图片
女生伤感图片
唯美意境图片
悲伤的图片
唯美意境伤感图片
只有字的伤感图片
说说图片
伤心的图片
美甲图片
图片大全
情感图片
微信头像男
动态壁纸
动漫配图
伤感图片
首页
>
怠速马达三线电路图
怠速马达三线电路图,怠速马达四线电路图
绝对干货 怠速马达的区分方法 怠速故障别在傻傻更换怠速马达
马自达新3发动机控制电路图-1
知识--怠速步进电机构造与工作原理(怠速马达)
汽车怠速马达上的4根线分别是什么线?分别接到哪里?
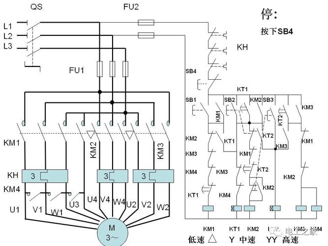
三速电动机与控制线路
更多推荐
怠速马达四线电路图
怠速马达电路图
怠速马达4根线电路图
怠速电机四根线电路图
怠速马达线路图
四线怠速马达线路检测
怠速马达接线图
四线怠速电机接线图
马达与电瓶连接电路图
启动马达电路图
马达电路图
怠速马达工作原理图
汽车启动马达电路图
马达正反转电路图
马达正反转控制电路图
怠速马达结构图解
启动马达线路图
怠速马达拆解图
12v马达正反转电路图
怠速马达图片
马达接线图
启动马达接线实物图
直流电机正反转电路图
小马达正反转接线图
怠速马达
24v电机正反转电路图
怠速马达结构
怠速马达拆解维修图片
4线单相电机接线图解
伊兰特怠速马达拆解图