首页
伤感说说
动漫配图
心情说说
抖音文案
伤感图片
伤感说说:
伤感的句子说说心情
空间说说
心情说说
爱情说说
女生伤感说说
人生感悟
心情不好的说说
说说带图片
关于生活的说说
说说心情短语
qq空间说说带图片
个性说说
励志名言
一句话经典语录
感悟人生的经典句子
短句吧
情感故事
抖音文案
伤感图片:
伤感图片带字
非主流伤感图片
唯美伤感图片
女生伤感图片
唯美意境图片
悲伤的图片
唯美意境伤感图片
只有字的伤感图片
说说图片
伤心的图片
美甲图片
图片大全
情感图片
微信头像男
动态壁纸
动漫配图
伤感图片
首页
>
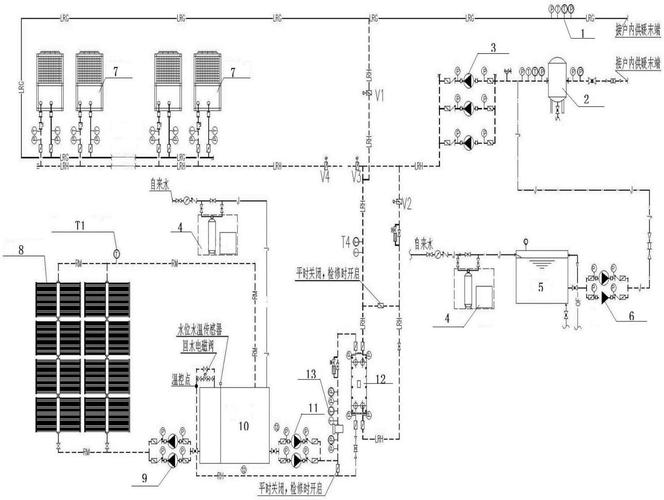
空气能二次循环系统图
空气能二次循环系统图,热水循环系统原理图
空气能热泵热水机组直热式和循环式有什么不同
空气能地暖单泵循环安装的优点:安装方便,快捷,减少了一路水系统的
空气能热泵热水机组直热式和循环式有什么不同
系统,包括太阳能集热器,储热水箱,低温空气源热泵和供热循环管道等
室外空气通过蒸发器进行热交换,温度降低后的空气被风扇排出系统,同时
更多推荐
热水循环系统原理图
空气能热泵安装图
空气能循环水安装图解
空气能双循环管路图
循环系统图
循环系统示意图
循环系统结构图
循环系统简图
心循环系统图
循环系统图简单
循环系统血液循环
人体循环系统示意图
心脏循环系统图
循环系统解剖图
循环系统图手绘图
空气能安装图
空气能安装示意图
空气能回水管安装图
循环系统动态图
循环系统
空气能热水器安装图
循环系统图简笔画
热水循环系统
循环系统的组成
人体循环系统思维导图
循环系统思维导图
心脏血液循环系统图
循环系统手绘图
循环系统讲解
人的循环系统思维导图