首页
伤感说说
动漫配图
心情说说
抖音文案
伤感图片
伤感说说:
伤感的句子说说心情
空间说说
心情说说
爱情说说
女生伤感说说
人生感悟
心情不好的说说
说说带图片
关于生活的说说
说说心情短语
qq空间说说带图片
个性说说
励志名言
一句话经典语录
感悟人生的经典句子
短句吧
情感故事
抖音文案
伤感图片:
伤感图片带字
非主流伤感图片
唯美伤感图片
女生伤感图片
唯美意境图片
悲伤的图片
唯美意境伤感图片
只有字的伤感图片
说说图片
伤心的图片
美甲图片
图片大全
情感图片
微信头像男
动态壁纸
动漫配图
伤感图片
首页
>
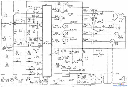
荣事达洗衣机电路图解
荣事达洗衣机电路图解,荣事达洗衣机老式
荣事达洗衣机电脑版xqb80-985g xqb72-965g电路控制板xcxq-qs24fb
荣事达洗衣机电脑板xqb60-658g xqb55-658g主板 电路线路板程控器
荣事达洗衣机电脑板电路图
荣事达洗衣机电脑xqb60-658grb60-x358grb60-x3562g主
荣事达xqb38-92洗衣机电路
更多推荐
荣事达洗衣机老式
荣事达洗衣机
洗衣机安全开关图解
西门子洗衣机按钮图解
美的洗衣机的使用图解
洗衣机内桶怎么拆图解
西门子洗衣机屏幕图解
洗衣机内桶拆卸图解
洗衣机怎么拆卸图解
洗衣机不排水修理图解
西门子洗衣机料盒图解
洗衣机漏水修理图解
洗衣机结构拆卸图解
滚筒洗衣机符号图解
洗衣机排水阀拆卸图解
洗衣机上盖拆装图解
全自动洗衣机按键图解
洗衣机符号图解
洗衣机上的符号图解
全自动洗衣机符号图解
上排水洗衣机排水图解
洗衣机滤网怎么拆图解
洗衣机大螺母拆卸图解
西门子洗衣机图标说明
西门子滚筒洗衣机图标
荣事达小家电
洗衣机洗衣服
荣事达电饭煲
荣事达电饭煲说明书
清洗洗衣机