首页
伤感说说
动漫配图
心情说说
抖音文案
伤感图片
伤感说说:
伤感的句子说说心情
空间说说
心情说说
爱情说说
女生伤感说说
人生感悟
心情不好的说说
说说带图片
关于生活的说说
说说心情短语
qq空间说说带图片
个性说说
励志名言
一句话经典语录
感悟人生的经典句子
短句吧
情感故事
抖音文案
伤感图片:
伤感图片带字
非主流伤感图片
唯美伤感图片
女生伤感图片
唯美意境图片
悲伤的图片
唯美意境伤感图片
只有字的伤感图片
说说图片
伤心的图片
美甲图片
图片大全
情感图片
微信头像男
动态壁纸
动漫配图
伤感图片
首页
>
电控门对讲安装线路图
电控门对讲安装线路图,电控锁接线图解
9张图了解楼宇对讲门禁安装
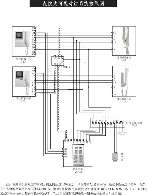
以上为奥敏725可视楼宇对讲系统安装线路图
别墅家用可视对讲门铃门禁电控锁电磁自动门等专用电特价正品
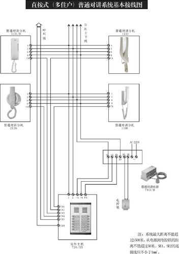
以上为奥敏725可视楼宇对讲系统安装线路图
热卖宝家安防盗门电控锁楼宇门禁对讲无线可视门铃各种电子配套推荐
更多推荐
电控锁接线图解
四线对讲门铃接线图
耀达对讲门控接线图
创安门控对讲接线图
单元门对讲电话接线图
8线对讲门禁接线图
电控门的线路图
五线对讲门铃接线图
电梯五方对讲线路图
对讲门铃接线图网线
对讲门铃接线图
创安家用电控门接线图
五方对讲四线接线图
2线对讲门铃室内接线
创安电控门锁接线图
四线对讲门铃接线教程
有线五方对讲接线图
单元门电控锁安装图
老式门禁对讲机接线图
普通电控门接线图
无线五方对讲接线图
单元门电控锁接线图
创安5线门铃接线图
电梯12v五方对讲接线图
220v电动伸缩门电路图
单元门控锁的线路图
6线门铃接线图详解
老式5线门铃接线图
老式四线门铃接线图
12v电控锁安装接线图解