首页
伤感说说
动漫配图
心情说说
抖音文案
伤感图片
伤感说说:
伤感的句子说说心情
空间说说
心情说说
爱情说说
女生伤感说说
人生感悟
心情不好的说说
说说带图片
关于生活的说说
说说心情短语
qq空间说说带图片
个性说说
励志名言
一句话经典语录
感悟人生的经典句子
短句吧
情感故事
抖音文案
伤感图片:
伤感图片带字
非主流伤感图片
唯美伤感图片
女生伤感图片
唯美意境图片
悲伤的图片
唯美意境伤感图片
只有字的伤感图片
说说图片
伤心的图片
美甲图片
图片大全
情感图片
微信头像男
动态壁纸
动漫配图
伤感图片
首页
>
直线电机驱动器接线图
直线电机驱动器接线图,步进电机驱动器接线图
供应adtech众为兴qxl高性能直线电机伺服驱动器(图)
一套电机和驱动器控制器的接线(dlq)
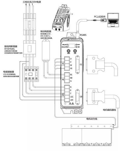
驱动器接线示意图
57bg76-300l直线步进电机-直线步进马达-时代超群 直线电机马达
灵猴机器人直线电机系统·总线型驱动器(二)
更多推荐
步进电机驱动器接线图
伺服驱动器接线图图解
伺服电机驱动器接线
直线电机接线图解
驱动器接线图
伺服驱动器接线图
直线电机绕组接线图
步进驱动器接线图
a4988驱动器接线图
伺服电机接线图图解
步进电机接线图图解
伺服驱动器外部接线图
步进驱动器接线图说明
松下伺服驱动器接线图
220v伺服驱动器接线图
伺服驱动器接线
步进驱动器接线
步进电机接线图
伺服电机实物接线图
步进电机驱动器
步进电机实物接线图
伺服电机驱动器
直线电机动图
电机驱动器
直线电机原理图
直线电机线圈绕法图解
伺服驱动器电路原理图
无刷电机驱动器
plc与伺服驱动器接线图
直线电机原理结构图