首页
伤感说说
动漫配图
心情说说
抖音文案
伤感图片
伤感说说:
伤感的句子说说心情
空间说说
心情说说
爱情说说
女生伤感说说
人生感悟
心情不好的说说
说说带图片
关于生活的说说
说说心情短语
qq空间说说带图片
个性说说
励志名言
一句话经典语录
感悟人生的经典句子
短句吧
情感故事
抖音文案
伤感图片:
伤感图片带字
非主流伤感图片
唯美伤感图片
女生伤感图片
唯美意境图片
悲伤的图片
唯美意境伤感图片
只有字的伤感图片
说说图片
伤心的图片
美甲图片
图片大全
情感图片
微信头像男
动态壁纸
动漫配图
伤感图片
首页
>
南岳单体泵ecu针脚图
南岳单体泵ecu针脚图,南岳单体泵电路图
单体泵 - 热门商品专区
南岳单体泵ecu022电气原理图(增压).pdf 1页
单体泵 - 热门商品专区
博世系统电脑版针脚图 康明斯 电装系统 南岳单体泵
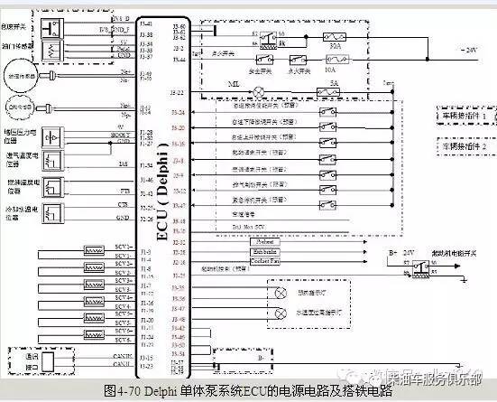
图4-70 delphi 单体泵系统ecu的电源电路及搭铁电路 三,bosch共轨
更多推荐
南岳单体泵电路图
玉柴单体泵
图解单体泵工作原理
电控单体泵工作原理
南岳电控单体泵线路图
潍柴ecu针脚图edc7
南岳电控单体泵
玉柴ecu针脚定义图
潍柴发动机ecu针脚图
潍柴ecu针脚高清图
汽车ecu针脚图
玉柴自主ecu针脚定义图
汽车ecu针脚图接线
潍柴自主ecu针脚高清图
单体泵
摩托车ecu针脚定义图
摩托车电喷ecu针脚图
潍柴博世ecu针脚高清图
玉柴电控单体泵
柴油机单体泵
电控单体泵
衡阳电控单体泵
道依茨单体泵
单体泵发动机
摩托车ecu针脚排列图
五菱宏光ecu针脚图
潍柴自主dcu针脚图
单体泵结构
发动机单体泵图片
潍柴自主ECU针脚图