首页
伤感说说
动漫配图
心情说说
抖音文案
伤感图片
伤感说说:
伤感的句子说说心情
空间说说
心情说说
爱情说说
女生伤感说说
人生感悟
心情不好的说说
说说带图片
关于生活的说说
说说心情短语
qq空间说说带图片
个性说说
励志名言
一句话经典语录
感悟人生的经典句子
短句吧
情感故事
抖音文案
伤感图片:
伤感图片带字
非主流伤感图片
唯美伤感图片
女生伤感图片
唯美意境图片
悲伤的图片
唯美意境伤感图片
只有字的伤感图片
说说图片
伤心的图片
美甲图片
图片大全
情感图片
微信头像男
动态壁纸
动漫配图
伤感图片
首页
>
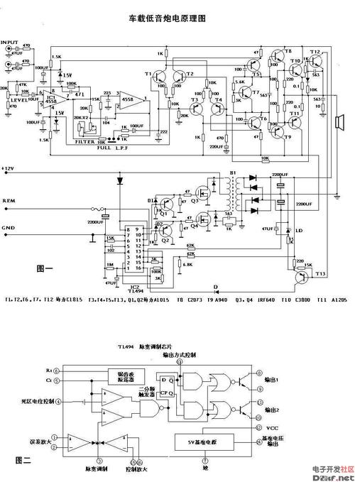
低音炮原理图
低音炮原理图,低音炮音箱设计原理图
分立功放高手来帮忙 求低音炮无限扩展卡原理
谁能给我一个效果好点的tda2030低音炮电路?
车载低音炮原理图 行吗
我想用ne5532 2块tda2003做成btl电路作为电脑低音炮的电路,我是菜鸟
汽车低音炮电路图_原理图论坛_单片机电路论坛_mcu资讯论坛 - powered
更多推荐
低音炮音箱设计原理图
低音炮音箱图纸
低音炮接线图
小音响低音炮
原理图工作原理
低音炮音箱
自制低音炮音箱构造图
低音炮音箱图纸自制
低音炮电路板
低音炮家用
低音炮
低音炮怎么接线
15寸低音炮音箱构造图
捷力低音炮
无源低音炮
低音炮型号
音箱内部设计原理图
低音炮推荐
车载低音炮
车载低音炮接线完整图
行走的低音炮
12v低音炮详细接线图
汽车低音炮
有源低音炮接功放图示
低音炮男生
车载低音炮怎么接线
小米低音炮
8寸低音炮设计图纸
原理图
ad原理图