首页
伤感说说
动漫配图
心情说说
抖音文案
伤感图片
伤感说说:
伤感的句子说说心情
空间说说
心情说说
爱情说说
女生伤感说说
人生感悟
心情不好的说说
说说带图片
关于生活的说说
说说心情短语
qq空间说说带图片
个性说说
励志名言
一句话经典语录
感悟人生的经典句子
短句吧
情感故事
抖音文案
伤感图片:
伤感图片带字
非主流伤感图片
唯美伤感图片
女生伤感图片
唯美意境图片
悲伤的图片
唯美意境伤感图片
只有字的伤感图片
说说图片
伤心的图片
美甲图片
图片大全
情感图片
微信头像男
动态壁纸
动漫配图
伤感图片
首页
>
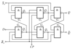
d触发器cadence电路图
d触发器cadence电路图,d触发器电路图
d触发器
d触发器原理
31用逻辑门画出d触发器
(2)用d触发器组成计数器形式构成的控制电路
/p> p>对于边沿d触发器,由于在cp=1期间电路具有维持阻塞作用,所以在
更多推荐
d触发器电路图
d触发器应用电路图
d触发器内部电路图
d触发器仿真电路图
d触发器电路原理图
d触发器电路图cmos
d触发器电路图74ls74
d触发器的逻辑电路图
d触发器实验电路图
cadence电路图
jk触发器转d电路图
触发器电路图
d触发器二分频电路图
rs触发器电路图
d触发器门级电路图
jk触发器电路图
d触发器原理图
d触发器接线图
边沿d触发器原理图
d触发器波形图
触发器波形图画图口诀
d触发器波形图例题
d触发器波形图怎么画
d触发器版图
74ls74双d触发器引脚图
t触发器波形图
d触发器逻辑图
d触发器的逻辑功能图
电子触发器
s090d点烟器电路图