首页
伤感说说
动漫配图
心情说说
抖音文案
伤感图片
伤感说说:
伤感的句子说说心情
空间说说
心情说说
爱情说说
女生伤感说说
人生感悟
心情不好的说说
说说带图片
关于生活的说说
说说心情短语
qq空间说说带图片
个性说说
励志名言
一句话经典语录
感悟人生的经典句子
短句吧
情感故事
抖音文案
伤感图片:
伤感图片带字
非主流伤感图片
唯美伤感图片
女生伤感图片
唯美意境图片
悲伤的图片
唯美意境伤感图片
只有字的伤感图片
说说图片
伤心的图片
美甲图片
图片大全
情感图片
微信头像男
动态壁纸
动漫配图
伤感图片
首页
>
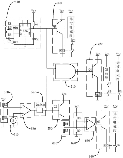
步进式开水器线路图
步进式开水器线路图,步进式开水器电路图
步进式开水器校园刷卡饮水机纯水器热水器
吉之美步进式电热开水器商用智能全自动电热开水机办公餐饮饭堂车
可自动清理的步进式开水器的制作方法
步进式商务开水器,步进式电开水器安装与调试
步进式开水器办公室用高贵大方饮水机无锡开水器苏州饮水机
更多推荐
步进式开水器电路图
步进式开水器原理图
步进式开水器
步进式开水器原理
步进式全自动开水器
步进式开水器控制板
微电脑步进式开水器
步进式开水器维修
电开水器线路图
步进式开水器电磁阀
沸腾式开水器电路图
步进式开水器排污口
三相电开水器线路图
步进式开水器工作原理
步进式开水器如何设置
步进式开水器常见故障
步进式开水器故障代码
开水器温控开关接线图
开水器接线图
开水器线路
全自动开水器接线图
开水器加热管接线图
步进式吧台电热开水器
沸腾式开水器图解
380v开水器接线图
电开水器加热管接线图
三相开水器接线实物图
380v电开水器接线图
开水器原理图
开水器内部接线