首页
伤感说说
动漫配图
心情说说
抖音文案
伤感图片
伤感说说:
伤感的句子说说心情
空间说说
心情说说
爱情说说
女生伤感说说
人生感悟
心情不好的说说
说说带图片
关于生活的说说
说说心情短语
qq空间说说带图片
个性说说
励志名言
一句话经典语录
感悟人生的经典句子
短句吧
情感故事
抖音文案
伤感图片:
伤感图片带字
非主流伤感图片
唯美伤感图片
女生伤感图片
唯美意境图片
悲伤的图片
唯美意境伤感图片
只有字的伤感图片
说说图片
伤心的图片
美甲图片
图片大全
情感图片
微信头像男
动态壁纸
动漫配图
伤感图片
首页
>
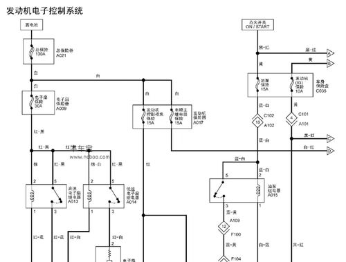
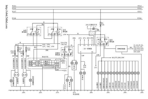
福田汽车电路图
福田汽车电路图,福田欧曼全车电路图
2010-2012款福田风景原厂电路图目录
福田欧马可-汽车保险盒
福田奥铃电路图
福田奥铃载货汽车电路图
福田奥铃载货汽车电路图
更多推荐
福田欧曼全车电路图
福田欧马可电路图
福田驭菱VQ1全车电路图
电路图图解
电路图讲解和实物图
电路图
欧曼etx全车电路图
简单电路图
并联电路图
开关电源电路图及原理
驭菱vq1电脑板电路图
电路图实物
电路图入门
串联电路图
电路图设计
福田驭菱继电器位置图
自锁电路图
互锁电路图
初中电路图
欧马可保险丝电路图
点动控制电路图
电路图怎么画
装修电路图
电路图符号大全
最简单10个电路图
正反转控制电路图
福田驭菱电脑板针脚图
汽车图片
13款驭菱vq1电路图
电路图基础知识入门