首页
伤感说说
动漫配图
心情说说
抖音文案
伤感图片
伤感说说:
伤感的句子说说心情
空间说说
心情说说
爱情说说
女生伤感说说
人生感悟
心情不好的说说
说说带图片
关于生活的说说
说说心情短语
qq空间说说带图片
个性说说
励志名言
一句话经典语录
感悟人生的经典句子
短句吧
情感故事
抖音文案
伤感图片:
伤感图片带字
非主流伤感图片
唯美伤感图片
女生伤感图片
唯美意境图片
悲伤的图片
唯美意境伤感图片
只有字的伤感图片
说说图片
伤心的图片
美甲图片
图片大全
情感图片
微信头像男
动态壁纸
动漫配图
伤感图片
首页
>
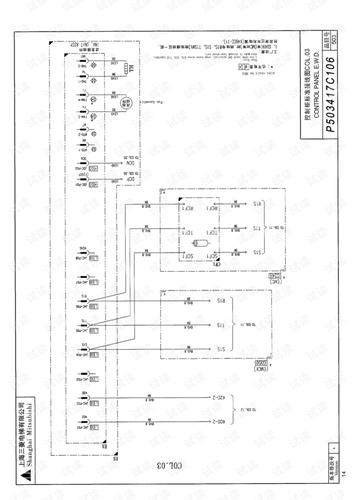
三菱电梯电路图详解
三菱电梯电路图详解,三菱电梯420回路图纸
上海三菱电梯hope-ii2电气原理图纸-注释图.pdf
上海三菱电梯hope-ii2电气原理图纸-注释图.pdf
上海三菱电梯hope-ii2电气原理图纸-注释图.pdf
上海三菱电梯hope-ii2电气原理图纸-注释图.pdf
三菱spvf电梯线路分析
更多推荐
三菱电梯420回路图纸
三菱电梯快速看懂图纸
三菱电梯接线图
上海三菱电梯图纸讲解
电梯控制柜部件认识
三菱电梯主板说明图
三菱电梯图纸符号大全
三菱电梯控制柜插件图
三菱电梯电源板图解
上海三菱电梯别墅电梯
三菱电梯图纸
电动车电路图详解
电蚊拍电路图详解
电吹风电路图详解
稳压电源电路图详解
三菱电梯指示灯图解
电压力锅电路图详解
三菱电梯安全回路封线
空调电路图详解
三菱电梯安装现场图
电路图图解
三菱电梯图片
电路图讲解和实物图
五菱之光电路图详解
三菱电梯标志图片
上海三菱电梯图片
三菱电梯
电磁炉电路图高清图
三菱电梯轿厢
三菱电梯型号