首页
伤感说说
动漫配图
心情说说
抖音文案
伤感图片
伤感说说:
伤感的句子说说心情
空间说说
心情说说
爱情说说
女生伤感说说
人生感悟
心情不好的说说
说说带图片
关于生活的说说
说说心情短语
qq空间说说带图片
个性说说
励志名言
一句话经典语录
感悟人生的经典句子
短句吧
情感故事
抖音文案
伤感图片:
伤感图片带字
非主流伤感图片
唯美伤感图片
女生伤感图片
唯美意境图片
悲伤的图片
唯美意境伤感图片
只有字的伤感图片
说说图片
伤心的图片
美甲图片
图片大全
情感图片
微信头像男
动态壁纸
动漫配图
伤感图片
首页
>
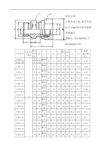
卡套式管接头标准
卡套式管接头标准,卡套式管接头
gb/t3733.1等国标卡套式管接头
卡套式端对接直通管接头gb3754.1-83
供应石家庄卡套接头 卡套式锥螺纹直通管接头 批发卡套式管接头
卡套式管接头介绍
卡套式端直通管三通管直角管接头隔壁对接锥螺纹组合接头
更多推荐
卡套式管接头
卡套式管接头原理
卡套式液压管接头
卡套式接头铜管
焊接式直通管接头标准
卡套式气管接头
卡套式端直通管接头
卡套式接头
管接头标准
卡套式接头尺寸
卡套式管接头安装图解
卡套式接头原理
扣压式胶管接头标准
卡套式接头结构图
焊接式管接头
液压卡套式接头型号
直通管接头标准
卡套式接头密封原理
螺纹管接头标准
液压管接头标准手册
焊接式管接头规格型号
焊接式端直通管接头
铜管卡套式连接
卡套式接头原理示意图
高压液压软管接头标准
扩口式管接头
扣压式液压管接头
卡套式连接
管接头
卡套式连接图片