首页 > 奥迪a3保险丝对照图
奥迪a3保险丝对照图,奥迪s3保险丝中文图解
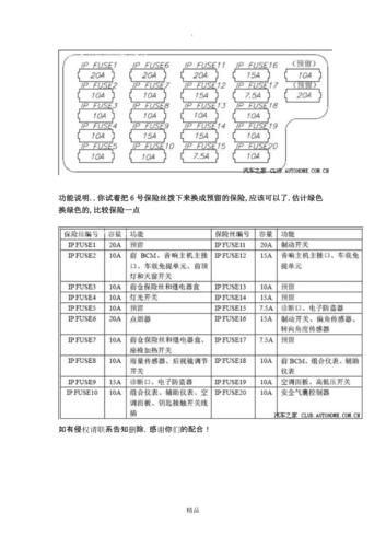
- 奥迪s3保险丝中文图解
- 奥迪a3保险盒电路图解
- 奥迪a3保险盒位置对照
- 三一保险丝对照图
- 奥迪a3保险丝中文图解
- 奥迪q3保险丝中文图解
- 奥迪a3保险丝盒示意图
- 奥迪a3保险丝分布图
- 奥迪a3保险丝图解
- 奥迪a3保险丝盒图解
- 奥迪q3保险丝对照表
- 奥迪q3保险丝对照图
- 奥迪a3点烟器保险丝图
- 14款奥迪q3保险盒图解
- 奥迪a3保险盒说明书图
- 奥迪a3保险丝
- 宝马x5保险丝盒对照图
- 老爱丽舍保险丝对照图
- 12福克斯保险丝对照图
- 07思域保险丝盒对照图
- 17款捷达保险丝对照
- 13款朗逸保险丝图解
- 三一215保险丝对照图
- 15款福克斯保险丝图
- 科帕奇保险丝盒中文图
- 12福克斯保险丝图解
- 老普桑保险丝对照表
- 17朗逸保险丝图解
- 尼桑骊威保险丝中文图
- 老吉利远景保险丝图解





