首页
伤感说说
动漫配图
心情说说
抖音文案
伤感图片
伤感说说:
伤感的句子说说心情
空间说说
心情说说
爱情说说
女生伤感说说
人生感悟
心情不好的说说
说说带图片
关于生活的说说
说说心情短语
qq空间说说带图片
个性说说
励志名言
一句话经典语录
感悟人生的经典句子
短句吧
情感故事
抖音文案
伤感图片:
伤感图片带字
非主流伤感图片
唯美伤感图片
女生伤感图片
唯美意境图片
悲伤的图片
唯美意境伤感图片
只有字的伤感图片
说说图片
伤心的图片
美甲图片
图片大全
情感图片
微信头像男
动态壁纸
动漫配图
伤感图片
首页
>
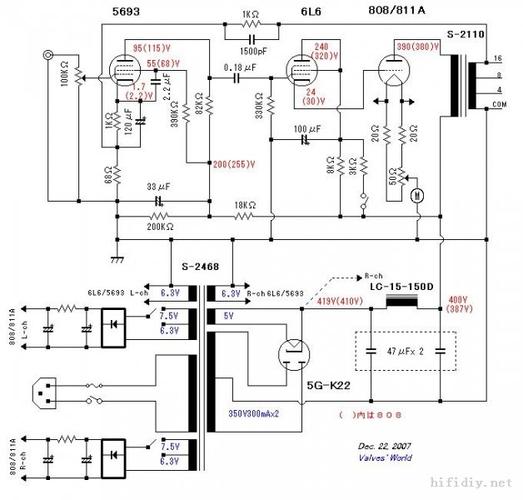
fu811单端胆机电路图
fu811单端胆机电路图,811单端胆机电路图
811胆机电路图
论坛 69 论坛技术讨论专区 69 胆机diy论坛 69 j斑fu811怎么样
69 论坛技术讨论专区 69 胆机diy论坛 69 平价好声fu811单端
利用不用的零件制作的811胆机
论坛 69 论坛技术讨论专区 69 胆机diy论坛 69 优美声音fu7
更多推荐
811单端胆机电路图
kt88单端胆机电路图
fu7单端胆机电路图
805单端胆机电路图
807单端胆机电路图
845单端胆机电路图
300b单端胆机电路图
211电子管单端电路图
顶级2a3单端胆机电路图
807电子管单端电路图
811单端电路图
300b单端胆机经典电路
西电300b胆机电路图
845胆机电路图经典
胆机电路图
211单端电路图
fu811单端胆机制作
老陈胆机el34电路图
fu811电子管电路图
el34单端电路图
fu7单端电路图
直耦805胆机电路图
胆机功放电路图大全
6p15单端电路图
单端甲类功放电路图
807单端电路图
gm70单端电路图
el34单端电路图甲类
6l6单端电路图
经典fu7单端电路图