首页 > 845胆机电路图经典
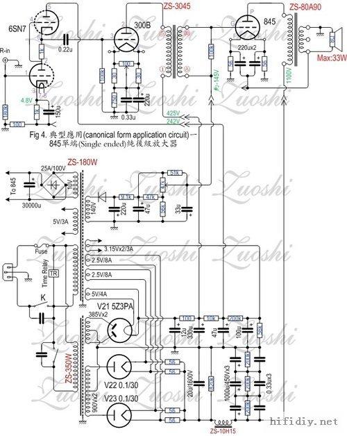
845胆机电路图经典,300b牛推845电路图
- 300b牛推845电路图
- 845电子管单端电路图
- 最好845胆机电路图
- 845单端胆机电路图
- 最好845胆机单端电路图
- 300b推845电子管电路图
- 最优秀的845胆机线路图
- 845胆机电路图
- 845推挽胆机电路图
- 牛推845胆机电路图
- 电路原理图经典电路图
- 805推挽胆机电路图
- kt88单端胆机电路图
- j版845单端胆机电路图
- 300b推845胆机电路图
- 胆机电路图
- 高端胆机电路图
- j版805单端胆机电路图
- EL34推挽胆机电路图
- 胆机电路图集
- 经典功放电路图
- 胆机功放电路图大全
- fu32胆机电路图纸
- gm70单端胆机电路图
- 6n2推6p1胆机电路图
- 经典二分频器电路图
- 经典电路图
- 经典运算放大器电路图
- 6sn7推845电路图
- 300b牛推845推挽电路图





