首页
伤感说说
动漫配图
心情说说
抖音文案
伤感图片
伤感说说:
伤感的句子说说心情
空间说说
心情说说
爱情说说
女生伤感说说
人生感悟
心情不好的说说
说说带图片
关于生活的说说
说说心情短语
qq空间说说带图片
个性说说
励志名言
一句话经典语录
感悟人生的经典句子
短句吧
情感故事
抖音文案
伤感图片:
伤感图片带字
非主流伤感图片
唯美伤感图片
女生伤感图片
唯美意境图片
悲伤的图片
唯美意境伤感图片
只有字的伤感图片
说说图片
伤心的图片
美甲图片
图片大全
情感图片
微信头像男
动态壁纸
动漫配图
伤感图片
首页
>
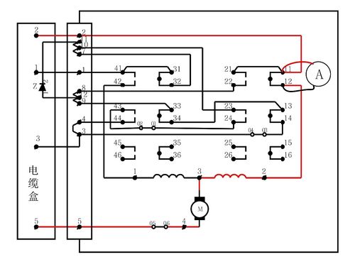
转辙机电路图
转辙机电路图,zd6转辙机电路图
写美篇 操作方法其实很简单,既然动作的自闭电路靠转辙机电流
zd6电动转辙机电路图
七,转辙机启动电路,道岔表示电路 转辙机包括直流转辙机和交流转辙
s700k转辙机电路原理图
zyj7液压转辙机电路图
更多推荐
zd6转辙机电路图
zdj9转辙机电路图
zyj7转辙机电路图
电路图图解
zd6转辙机电路图讲解
zdj9转辙机电路图详解
zd6电路图
电路图
zd6转辙机四线制电路图
并联电路图
串联电路图
电路图实物
简单电路图
互锁电路图
zyj7电路图
电路图入门
zdj9电路图
电路图讲解和实物图
转辙机图片
正反转控制电路图
电动转辙机
电路图设计
自锁电路图
开关电源电路图及原理
初中电路图
转辙机图片实物
电路图怎么画
铁路转辙机图片
装修电路图
转辙机实物