首页
伤感说说
动漫配图
心情说说
抖音文案
伤感图片
伤感说说:
伤感的句子说说心情
空间说说
心情说说
爱情说说
女生伤感说说
人生感悟
心情不好的说说
说说带图片
关于生活的说说
说说心情短语
qq空间说说带图片
个性说说
励志名言
一句话经典语录
感悟人生的经典句子
短句吧
情感故事
抖音文案
伤感图片:
伤感图片带字
非主流伤感图片
唯美伤感图片
女生伤感图片
唯美意境图片
悲伤的图片
唯美意境伤感图片
只有字的伤感图片
说说图片
伤心的图片
美甲图片
图片大全
情感图片
微信头像男
动态壁纸
动漫配图
伤感图片
首页
>
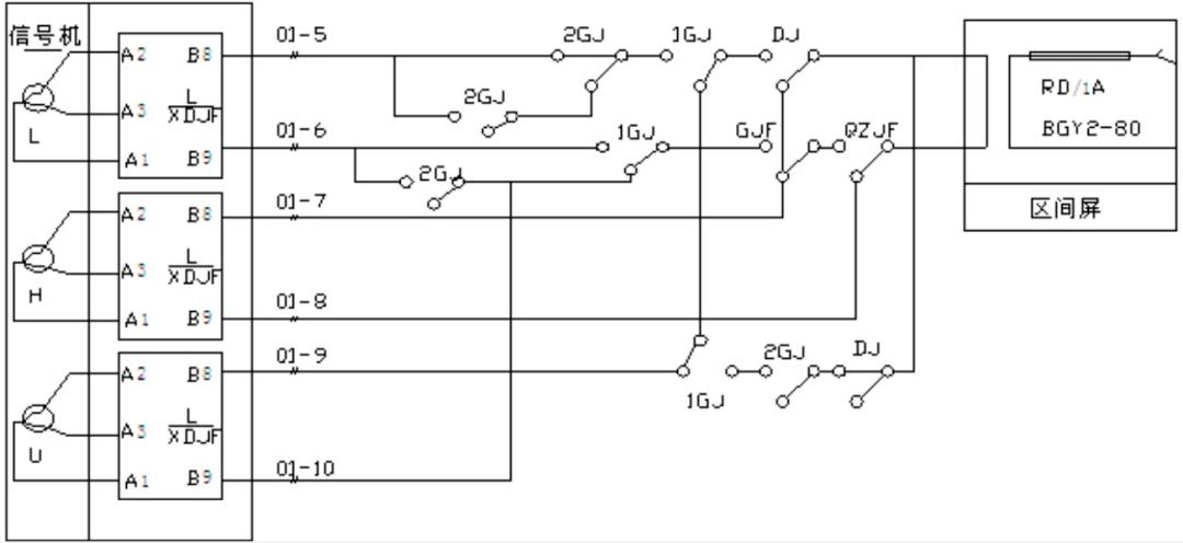
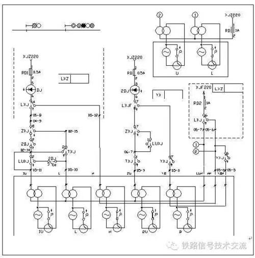
信号机点灯电路图
信号机点灯电路图,区间信号机点灯电路图
进站信号机点灯电路ppt
一,进站信号机点灯电路
进段信号机点灯电路图
第三接近区段通过信号机点灯电路
zpw-2000a 区间信号机点灯电路的分析阐述
更多推荐
区间信号机点灯电路图
出站信号机点灯电路图
zdj9道岔电路图
遮断信号机
信号机
铁路信号室外配线讲解
进站信号机点灯电路图
调车信号机点灯电路图
铁路信号机点灯电路图
信号机点灯电路图详解
led点灯王电路图
无线点灯电路原理图
转辙机电路图
铁路调车信号机电路图
电路图图解
信号机点灯变压器
电路图讲解和实物图
点动控制电路图
开关电源电路图及原理
电路图
电路图符号大全
简单电路图
电路图实物
电路图入门
串联电路图
并联电路图
道岔控制电路图
初中电路图
电路图设计
正反转控制电路图