首页
伤感说说
动漫配图
心情说说
抖音文案
伤感图片
伤感说说:
伤感的句子说说心情
空间说说
心情说说
爱情说说
女生伤感说说
人生感悟
心情不好的说说
说说带图片
关于生活的说说
说说心情短语
qq空间说说带图片
个性说说
励志名言
一句话经典语录
感悟人生的经典句子
短句吧
情感故事
抖音文案
伤感图片:
伤感图片带字
非主流伤感图片
唯美伤感图片
女生伤感图片
唯美意境图片
悲伤的图片
唯美意境伤感图片
只有字的伤感图片
说说图片
伤心的图片
美甲图片
图片大全
情感图片
微信头像男
动态壁纸
动漫配图
伤感图片
首页
>
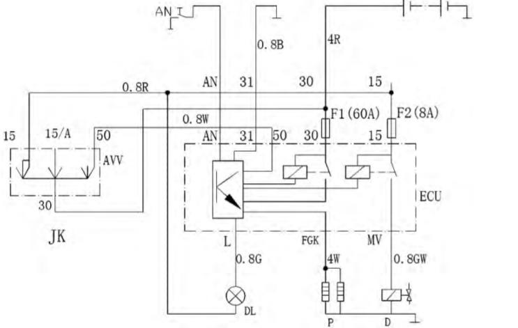
预热塞控制器线路图
预热塞控制器线路图,五十铃预热控制电路图
温控器的接线图和原理图【借鉴实操】
cn101532457a_柴油发动机多燃油火焰预热塞电子智能控制冷起动装置
f1,f2- 保险丝 dl- 预热指示灯 p- 预热塞 d- 电磁阀 ecu- 控制器
电热塞
如果预热塞温度低于 900℃,1 号预热塞继电器也会接通,在发动机起动时
更多推荐
五十铃预热控制电路图
启动预热继电器接线图
柴油机预热塞安装教程
柴油车预热系统电路图
柴油车预热器安装图
预热继电器线路图
预热控制器原理图
预热塞控制器原理图
预热控制器接线图
柴油车预热塞电路图
预热塞电路图
预热继电器接线图
远驱控制器线路图
吊机控制器线路图
蓝德控制器接线路图
货梯控制器线路图
蓝德控制器线路图
英博尔控制器线路图
蓝德控制器接线图图
驻车空调控制器线路图
远驱控制器接线图
台铃控制器线路图
3336控制器接线图
南京远驱控制器线路图
风骏预热继电器线路图
英博尔控制器接线图
控制器3336各脚接线图
南京远驱控制器接线图
蓝德控制器怎么接线图
蓝德72350控制器线路图