首页
伤感说说
动漫配图
心情说说
抖音文案
伤感图片
伤感说说:
伤感的句子说说心情
空间说说
心情说说
爱情说说
女生伤感说说
人生感悟
心情不好的说说
说说带图片
关于生活的说说
说说心情短语
qq空间说说带图片
个性说说
励志名言
一句话经典语录
感悟人生的经典句子
短句吧
情感故事
抖音文案
伤感图片:
伤感图片带字
非主流伤感图片
唯美伤感图片
女生伤感图片
唯美意境图片
悲伤的图片
唯美意境伤感图片
只有字的伤感图片
说说图片
伤心的图片
美甲图片
图片大全
情感图片
微信头像男
动态壁纸
动漫配图
伤感图片
首页
>
三个空开怎么接线图解
三个空开怎么接线图解,三空开怎么接线图片
火线一般不接到接线排上,可直接并联到三个空开上.
使用三个1p空开代替一个3p空开作为三相空调开关. 2.管内有接头 1.
空开和漏保安装顺序_空开和漏保接线图
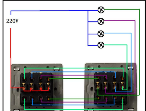
谁知道三开双控开关怎么接线,一共九个接头,上面五个下面四个
3个开关控制一个灯怎么接线_一个开关控制3个灯图
更多推荐
三空开怎么接线图片
三相四线空开接线图
空开接线图家用图解
三相四线空开接法图解
五空开怎么接线图片
双空开怎么接线实物图
空开接线图解
空开怎么接线
空开接线图
三相电380空开接线图
家用空开接线图方法
空开接线图家用
空气开关实物接线图
开关接线图解
三相4线配电箱接线图
空开接线
一灯双控开关接线图
5孔一开关接线图单控
家用配电箱正规接线图
二控一灯实物接线图
三相四线配电箱
2p漏保正确接线图