首页
伤感说说
动漫配图
心情说说
抖音文案
伤感图片
伤感说说:
伤感的句子说说心情
空间说说
心情说说
爱情说说
女生伤感说说
人生感悟
心情不好的说说
说说带图片
关于生活的说说
说说心情短语
qq空间说说带图片
个性说说
励志名言
一句话经典语录
感悟人生的经典句子
短句吧
情感故事
抖音文案
伤感图片:
伤感图片带字
非主流伤感图片
唯美伤感图片
女生伤感图片
唯美意境图片
悲伤的图片
唯美意境伤感图片
只有字的伤感图片
说说图片
伤心的图片
美甲图片
图片大全
情感图片
微信头像男
动态壁纸
动漫配图
伤感图片
首页
>
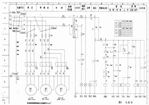
锯床电路图
锯床电路图,锯力煌4028锯床电路图
g4240立柱卧式带锯床使用说明书.docx
晨龙gw4028a锯床的电路图
fs4228_fs4230带锯床电气原理图(富士泰)2011.
锯床电气原理图
g607型圆锯床电气原理图 - 工业自动化电路 - 21ic
更多推荐
锯力煌4028锯床电路图
卧式带锯床液压原理图
神雕锯床电路图
卧式带锯床电路图
浙江伟业锯床电路图
卧式锯床维修电路图
锯床的控制接线图
卧式带锯床电气原理图
金属带锯床电气原理图
锯床电路
锯床电路图及油路图
锯床电气控制电路图
老式锯床电气原理图
锯床电气原理图大全
锯床的控制按钮接线图
锯床电路图大全
锯床电气图
电路图图解
4230锯床电路图
锯床电气线路原理图
电路图
4028带锯床电路图
电路图实物
简单电路图
大型带锯床锯床
串联电路图
并联电路图
电路图设计
电路图入门
gb4028锯床电路图