首页
伤感说说
动漫配图
心情说说
抖音文案
伤感图片
伤感说说:
伤感的句子说说心情
空间说说
心情说说
爱情说说
女生伤感说说
人生感悟
心情不好的说说
说说带图片
关于生活的说说
说说心情短语
qq空间说说带图片
个性说说
励志名言
一句话经典语录
感悟人生的经典句子
短句吧
情感故事
抖音文案
伤感图片:
伤感图片带字
非主流伤感图片
唯美伤感图片
女生伤感图片
唯美意境图片
悲伤的图片
唯美意境伤感图片
只有字的伤感图片
说说图片
伤心的图片
美甲图片
图片大全
情感图片
微信头像男
动态壁纸
动漫配图
伤感图片
首页
>
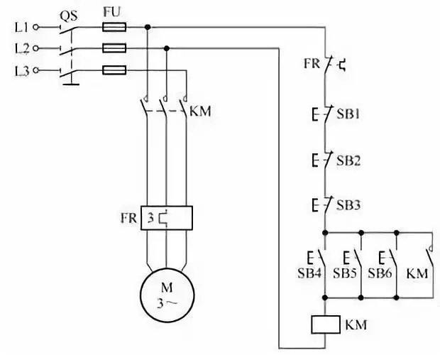
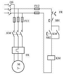
控制电路图怎么画
控制电路图怎么画,继电器电路图怎么画
关于星三角降压启动控制电路图
常用电动机控制电路图,一通百通
两个开关控制一个电灯的线路图,麻烦高手画下
请问雨水泵三极棒控制的电路图怎么画啊?
[问答题,简答题] 画出电动机单向旋转控制电路图.
更多推荐
继电器电路图怎么画
配电箱电路图怎么画
电箱电路图怎么画
电路图怎么画
简单电路图怎么画
电路图怎么画教程
并联电路图怎么画
电路图怎么画口诀
串联电路图怎么画
逻辑电路图怎么画
小学电路图怎么画
四年级电路图怎么画
红绿灯电路图怎么画
画电路图
小学简单电路图怎么画
点动控制电路图
电机正反转控制电路图
画电路图的软件
正反转控制电路图
电路图画法秘诀
cad画电路图
电路图图解
visio画电路图
点动自锁控制电路图
电路图讲解和实物图
cad画电路图教程
简单电路图
开关电源电路图及原理
电路图
电路图入门