首页
伤感说说
动漫配图
心情说说
抖音文案
伤感图片
伤感说说:
伤感的句子说说心情
空间说说
心情说说
爱情说说
女生伤感说说
人生感悟
心情不好的说说
说说带图片
关于生活的说说
说说心情短语
qq空间说说带图片
个性说说
励志名言
一句话经典语录
感悟人生的经典句子
短句吧
情感故事
抖音文案
伤感图片:
伤感图片带字
非主流伤感图片
唯美伤感图片
女生伤感图片
唯美意境图片
悲伤的图片
唯美意境伤感图片
只有字的伤感图片
说说图片
伤心的图片
美甲图片
图片大全
情感图片
微信头像男
动态壁纸
动漫配图
伤感图片
首页
>
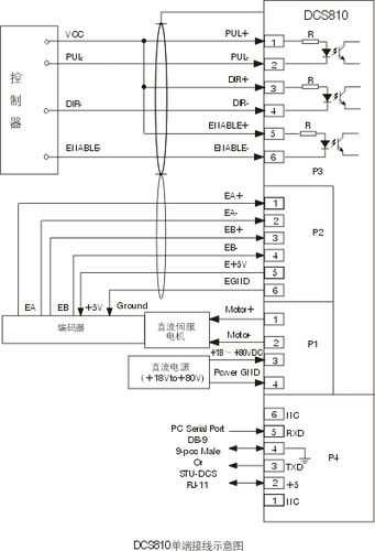
dcs端子接线图
dcs端子接线图,dcs接线工艺
dcs810差分接线示意图
出线柜4aa二次回路端子接线图
求plc外围接线图,变频器dcs4000
浙江中控dcs控制系统jx-300xp系统部件/端子部件tb366-48vu
浙大中控dcs机柜与电气柜连接全套接线图
更多推荐
dcs接线工艺
dcs控制柜接线图举例
dcs接线图纸
dcs模块接线图
DCS控制接触器接线图
dcs接线图现场到控制室
dcs柜端子接线图
端子接线图
接线端子原理图
怎么看懂端子接线图
端子接线
dcs卡件接线图片
接线端子排
dcs控制电机接线图
dcs接线
接地端子图片
如何看懂dcs接线图
各种接线端子
三相四线电表接线图
接触器接线图
usb接口接线图
如何看dcs柜上的接线图
接地端子
双控开关接线图
多控开关接线图
dcs控制电机启停接线图
端子线
压线端子
t接端子
电厂接线工接线工艺