plc电机正反转的接线图,电机正反转plc接线图

plc控制的电动机正反转

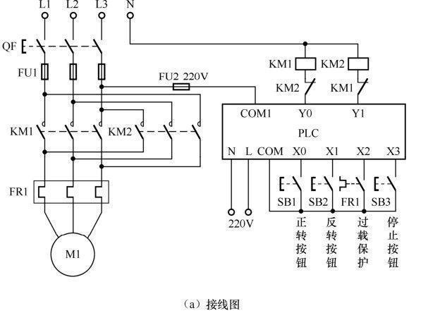
plc控制三相异步电动机正反转的接线与编程

图3-1(a)为一种plc控制电动机正反转电路接线图,图3-1(b),(c)所示为该

plc电机正反转控制电路图梯形图程序

求助plc编程电动机正反转
- 电机正反转plc接线图
- plc电机正反转接线图
- plc正反转的接线图
- plc正反转接线图实物图
- 单相电机正反转接线图
- 电机正反转实物接线图
- 正反转控制电机接线图
- 电机正反转接线图
- plc电机正反转
- 正反转plc外部接线图
- 电动机正反转plc程序图
- 电机正反转plc程序
- plc控制电机正反转程序
- plc正反转硬件接线图
- 电机正反转plc梯形图
- 220v电机正反转接线
- 正反转plc控制电路图
- plc正反转控制电路图
- plc正反转电路图
- 电机正反转控制电路图
- plc接线图接近开关
- 单相电机四线接线图解
- 单相电机正反转接法
- 单相电机电容接线图
- 单相电机双电容接线图
- 单相电机接线图实物图
- 220v双电容电机接线图
- 单相电机正反转原理图
- 两相电机正反转接法
- 电工plc入门接线图
