首页
伤感说说
动漫配图
心情说说
抖音文案
伤感图片
伤感说说:
伤感的句子说说心情
空间说说
心情说说
爱情说说
女生伤感说说
人生感悟
心情不好的说说
说说带图片
关于生活的说说
说说心情短语
qq空间说说带图片
个性说说
励志名言
一句话经典语录
感悟人生的经典句子
短句吧
情感故事
抖音文案
伤感图片:
伤感图片带字
非主流伤感图片
唯美伤感图片
女生伤感图片
唯美意境图片
悲伤的图片
唯美意境伤感图片
只有字的伤感图片
说说图片
伤心的图片
美甲图片
图片大全
情感图片
微信头像男
动态壁纸
动漫配图
伤感图片
首页
>
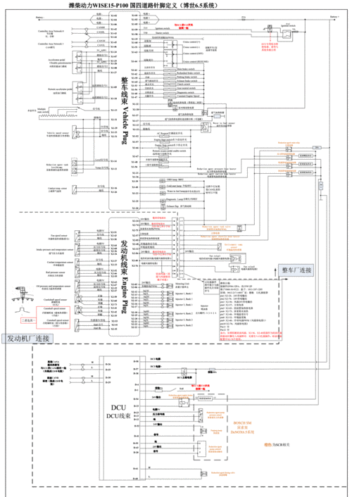
潍柴自主wise15针脚图
潍柴自主wise15针脚图,潍柴国三wise15针脚图
3附表三潍柴wise15针脚图国四国五65后处理系统ecu件号612650080075
潍柴零件图册.doc
【引用】潍柴bosch电路图针脚定义及故障闪码表(10.11
潍柴电控发动机电路图 - xianyu的日志 - 网易博客
1最新国四潍柴edc17电脑版针脚定义
更多推荐
潍柴国三wise15针脚图
潍柴自主电脑版图片
潍柴自主dcu针脚图
潍柴自主ecu针脚高清图
潍柴自主ECU针脚图
潍柴ecu针脚图edc7
潍柴wp12电脑针脚图
潍柴edc7针脚图
潍柴wp10电脑板针脚图
潍柴ecu针脚高清图
潍柴发动机ecu针脚图
潍柴国3电脑针脚图
潍柴自主ecu线路图
潍柴电脑板针脚图
潍柴博世ecu针脚高清图
潍柴国五电脑板针脚图
潍柴自主电路图
玉柴edc7电脑针脚图
玉柴ecu针脚定义图
潍柴wp10h发动机图解
wp10潍柴发动机分解图
玉柴发动机电脑针脚图
潍柴wp10发动机
潍柴u70
潍柴
潍柴柴油机
潍柴汽车u70
潍柴u70报价及图片
潍柴电喷发动机电路图
潍柴共轨发动机ecu接线