首页
伤感说说
动漫配图
心情说说
抖音文案
伤感图片
伤感说说:
伤感的句子说说心情
空间说说
心情说说
爱情说说
女生伤感说说
人生感悟
心情不好的说说
说说带图片
关于生活的说说
说说心情短语
qq空间说说带图片
个性说说
励志名言
一句话经典语录
感悟人生的经典句子
短句吧
情感故事
抖音文案
伤感图片:
伤感图片带字
非主流伤感图片
唯美伤感图片
女生伤感图片
唯美意境图片
悲伤的图片
唯美意境伤感图片
只有字的伤感图片
说说图片
伤心的图片
美甲图片
图片大全
情感图片
微信头像男
动态壁纸
动漫配图
伤感图片
首页
>
化油器结构图
化油器结构图,化油器图片
化油器结构原理图
化油器结构图
化油器图解幻灯片
吊桶式化油器结构
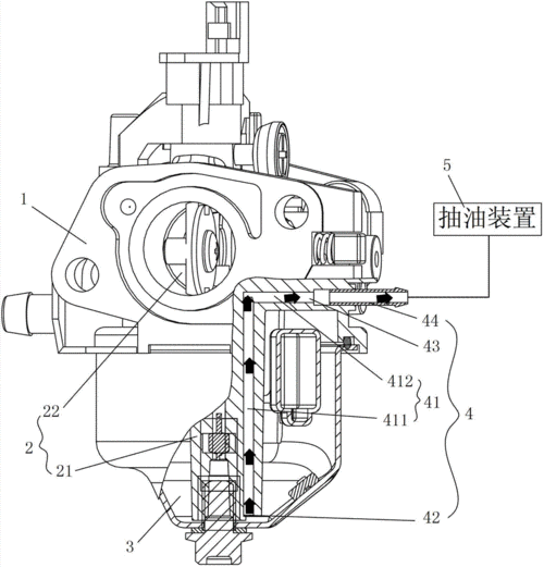
cn104141555b_一种化油器及其放油结构有效
更多推荐
化油器图片
化油器解剖图
化油器油针安装图
二冲程化油器结构图
摩托车化油器构造
摩托车化油器图片
二冲程化油器图解
摩托车化油器图片结构
化油器图解
化油器分解说明图
摩托车化油器漏油图解
化油器分解原理图
摩托车化油器结构图解
拉绳汽油机化油器清洗
化油器原理
化油器工作原理图
汽车化油器结构图
化油器油管连接图
化油器图片一结构图
化油器的结构图
欧二化油器结构图
化油器图片解剖图
雅马哈化油器结构图
汽油机化油器图解
微耕机化油器结构图
化油器零件图片
油锯化油器调节图解
化油器
油锯的化油器吸油原理
汽车化油器图片