首页
伤感说说
动漫配图
心情说说
抖音文案
伤感图片
伤感说说:
伤感的句子说说心情
空间说说
心情说说
爱情说说
女生伤感说说
人生感悟
心情不好的说说
说说带图片
关于生活的说说
说说心情短语
qq空间说说带图片
个性说说
励志名言
一句话经典语录
感悟人生的经典句子
短句吧
情感故事
抖音文案
伤感图片:
伤感图片带字
非主流伤感图片
唯美伤感图片
女生伤感图片
唯美意境图片
悲伤的图片
唯美意境伤感图片
只有字的伤感图片
说说图片
伤心的图片
美甲图片
图片大全
情感图片
微信头像男
动态壁纸
动漫配图
伤感图片
首页
>
世嘉后备箱锁电路图
世嘉后备箱锁电路图,汽车后备箱锁原理图
2009东风雪铁龙世嘉1.6at全车汽车电路图.pdf 173页
世嘉加装后备箱开关
2009东风雪铁龙世嘉1.6at全车电路图
东风雪铁龙世嘉16at全车电路图pdf176页
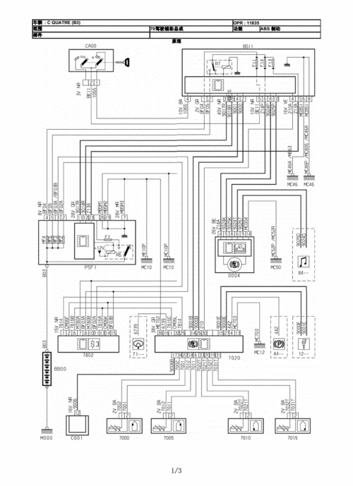
查阅该车型后备箱的锁控制电路图 (图2),车身控制模块bcm收到后备箱
更多推荐
汽车后备箱锁原理图
三厢世嘉后备箱隐藏锁
世嘉后备箱锁三根线
三厢世嘉后备箱锁图解
后备箱锁电机电路图
爱丽舍后备箱锁电路图
后备箱锁机三线电路图
标致307后备箱锁电路图
后备箱锁开关原理图
后备箱锁原理图
电动车后备箱锁芯拆图
雪铁龙后备箱锁开关图
汽车后备箱锁结构图
后备箱锁块拆解图
电动车后备箱锁拆解图
汽车后备箱锁芯拆解图
电动车后备箱锁
摩托车后备箱锁原理图
荣威550后备箱锁继电器
汽车后备箱锁原理
标致307中控门锁电路图
汽车后备箱锁结构
奔腾b50后备箱锁拆装图
电路图图解
荣威550后备箱锁
开关电源电路图及原理
自锁电路图
荣威550后备箱锁4根线
互锁电路图
电路图讲解和实物图