首页
伤感说说
动漫配图
心情说说
抖音文案
伤感图片
伤感说说:
伤感的句子说说心情
空间说说
心情说说
爱情说说
女生伤感说说
人生感悟
心情不好的说说
说说带图片
关于生活的说说
说说心情短语
qq空间说说带图片
个性说说
励志名言
一句话经典语录
感悟人生的经典句子
短句吧
情感故事
抖音文案
伤感图片:
伤感图片带字
非主流伤感图片
唯美伤感图片
女生伤感图片
唯美意境图片
悲伤的图片
唯美意境伤感图片
只有字的伤感图片
说说图片
伤心的图片
美甲图片
图片大全
情感图片
微信头像男
动态壁纸
动漫配图
伤感图片
首页
>
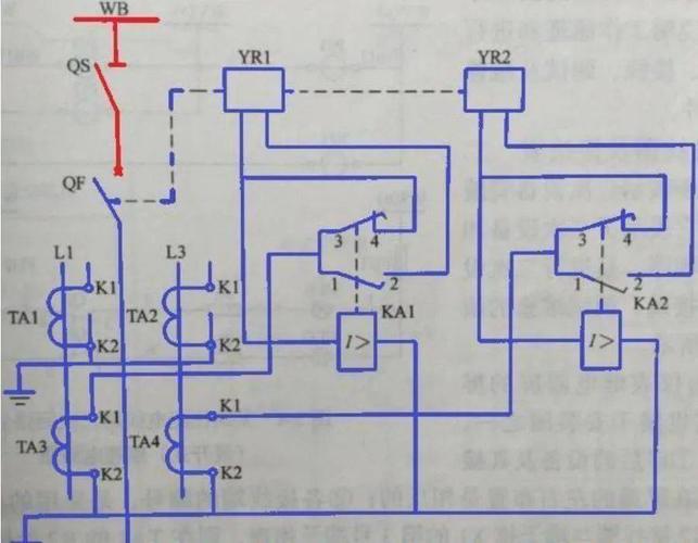
正规电路图画法
正规电路图画法,电路图画法
初三电路图的画法及实物图的连接练习题
全套电路图的画法及实物图的连接.pdf 10页
初中物理电路图,实物图画法专项练习题!含答案
看电气电路图有哪些窍门?
初中物理电路图,实物图画法专项练习题!含答案
更多推荐
电路图画法
电路图的规范画法
串联电路图画法
并联电路图画法
电路图的画法技巧
电路图怎么画
同或门电路图画法
与非门电路图画法
异或门电路图画法
日光灯电路图的画法
物理家庭电路图的画法
滑动变阻器电路图画法
电路图图解
简单电路图
电路图讲解和实物图
电路图
电路图入门
电路图实物
家庭电路图
正反转控制电路图
并联电路图
电路图设计
开关电源电路图及原理
互锁电路图
串联电路图
滑动变阻器画法实物图
最简单10个电路图
与非门电路图
装修电路图
初中电路图