首页
伤感说说
动漫配图
心情说说
抖音文案
伤感图片
伤感说说:
伤感的句子说说心情
空间说说
心情说说
爱情说说
女生伤感说说
人生感悟
心情不好的说说
说说带图片
关于生活的说说
说说心情短语
qq空间说说带图片
个性说说
励志名言
一句话经典语录
感悟人生的经典句子
短句吧
情感故事
抖音文案
伤感图片:
伤感图片带字
非主流伤感图片
唯美伤感图片
女生伤感图片
唯美意境图片
悲伤的图片
唯美意境伤感图片
只有字的伤感图片
说说图片
伤心的图片
美甲图片
图片大全
情感图片
微信头像男
动态壁纸
动漫配图
伤感图片
首页
>
74ls异或门
74ls异或门,异或门74ls86引脚图
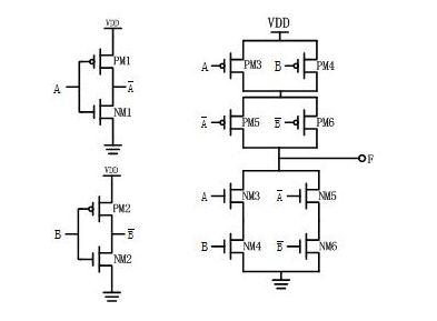
cmos异或门的设计方法及技巧
异或门,三人表决,优先表决三个实验 重点关注一下右边74ls20上有个高
图5 异或门7486的引脚排列图(6)集成与门,或门电路芯片常用的ttl与门
逻辑门电路符号图(与门或门非门同或门异或门)
4030 cmos 四异或门
更多推荐
异或门74ls86引脚图
74ls86异或门电路图
异或门电路
异或门真值表
异或门电路图
异或门原理图
异或门
74ls73
异或门实现
异或门芯片
异或门电路图解析
74ls54
异或门逻辑电路图
异或门逻辑
异或门波形图
异或门版图
异或门内部电路图
异或门结构
异或门版图设计
74ls10
异或门符号
简单的异或门电路图
74ls151
异或门逻辑符号
74ls153
异或门逻辑表达式
74ls190
74ls151真值表
异或门符号图形
异或门逻辑符号图