首页
伤感说说
动漫配图
心情说说
抖音文案
伤感图片
伤感说说:
伤感的句子说说心情
空间说说
心情说说
爱情说说
女生伤感说说
人生感悟
心情不好的说说
说说带图片
关于生活的说说
说说心情短语
qq空间说说带图片
个性说说
励志名言
一句话经典语录
感悟人生的经典句子
短句吧
情感故事
抖音文案
伤感图片:
伤感图片带字
非主流伤感图片
唯美伤感图片
女生伤感图片
唯美意境图片
悲伤的图片
唯美意境伤感图片
只有字的伤感图片
说说图片
伤心的图片
美甲图片
图片大全
情感图片
微信头像男
动态壁纸
动漫配图
伤感图片
首页
>
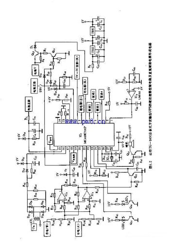
santak ups电源电路图
santak ups电源电路图,ups电源电路图详解
ups接线图与维修说明
ups电源电路图
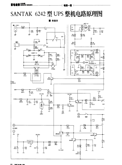
santak 6242型ups整机电路原理图
各位,我找到大家苦苦寻找的山特城堡ups c1ks c2ks c3ks 的电路图了
ups电源电路图
更多推荐
ups电源电路图详解
santakups电源
ups电源接线图
ups电源实物接线图
山特ups维修电路图
开关电源电路图及原理
ups电源安装图
santak电源蓄电池
ups电源图片
santakups指示灯图解
山特ups电源故障灯图解
ups电源
ups电源指示灯图解
UPS电路图
山特ups电源
电路图图解
并联电路图
机房ups电源
电路图实物
电路图
电路图讲解和实物图
串联电路图
互锁电路图
简单电路图
电路图入门
自锁电路图
UPS电源
最简单10个电路图
正反转控制电路图
初中电路图