首页
伤感说说
动漫配图
心情说说
抖音文案
伤感图片
伤感说说:
伤感的句子说说心情
空间说说
心情说说
爱情说说
女生伤感说说
人生感悟
心情不好的说说
说说带图片
关于生活的说说
说说心情短语
qq空间说说带图片
个性说说
励志名言
一句话经典语录
感悟人生的经典句子
短句吧
情感故事
抖音文案
伤感图片:
伤感图片带字
非主流伤感图片
唯美伤感图片
女生伤感图片
唯美意境图片
悲伤的图片
唯美意境伤感图片
只有字的伤感图片
说说图片
伤心的图片
美甲图片
图片大全
情感图片
微信头像男
动态壁纸
动漫配图
伤感图片
首页
>
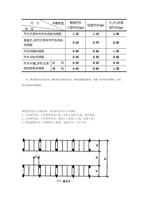
电动车停车位尺寸
电动车停车位尺寸,非机动车停车位
每个停车场都有专门的电瓶车停车位
停车位尺寸精编版
标准地下车库及停车位尺寸
山东新泰:小区推出4500元70年使用权电动车车位
摩托车电动车停车棚停车场图片
更多推荐
非机动车停车位
电动车停车位标准尺寸
二轮电动车停车位尺寸
电动车尺寸外型尺寸
电动车车身尺寸
电动车电池尺寸
电动车尺寸
电动车尺寸图
停车位尺寸
停车位标准尺寸
雅迪电动车尺寸
停车位划线尺寸
电动车轮胎尺寸
电动车尺寸规格图
009电动车电池仓尺寸
停车位挡车器
电动车电池尺寸表图片
电动车坐垫套尺寸
电动车轮胎尺寸图解
雅迪电动车尺寸规格图
电动车所有车型
电动车坐垫套尺寸表
电动车坐垫尺寸对照表
停车位划线尺寸标准图
电动车轮胎尺寸对照表
停车位标志
停车位
电动车电池
室外停车位
九号电动车