首页
伤感说说
动漫配图
心情说说
抖音文案
伤感图片
伤感说说:
伤感的句子说说心情
空间说说
心情说说
爱情说说
女生伤感说说
人生感悟
心情不好的说说
说说带图片
关于生活的说说
说说心情短语
qq空间说说带图片
个性说说
励志名言
一句话经典语录
感悟人生的经典句子
短句吧
情感故事
抖音文案
伤感图片:
伤感图片带字
非主流伤感图片
唯美伤感图片
女生伤感图片
唯美意境图片
悲伤的图片
唯美意境伤感图片
只有字的伤感图片
说说图片
伤心的图片
美甲图片
图片大全
情感图片
微信头像男
动态壁纸
动漫配图
伤感图片
首页
>
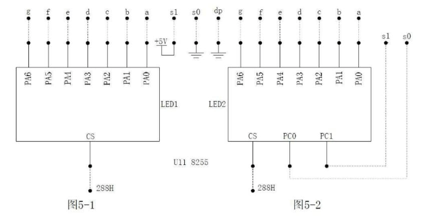
数码管连接图
数码管连接图,数码管引脚图
12v的数码管和单片机怎么连接?
七段数码管
急:::::单片机可以用p0口直接和单个共阴数码管连接,只添加限流电阻?
4位共阴数码管静态显示,4位显示一样的,从0到f的c程序
汇编语言 使用按键控制51单片机的数码管显示0~f
更多推荐
数码管引脚图
数码管原理图
数码管电路图
数码管效果图
数码管引脚图接线
数码管显示
四位数码管引脚图
数码管
共阳数码管引脚图
共阳数码管段码表
七段数码管
两位数码管引脚图
数码管引脚
八段数码管引脚图
数码管引脚图及功能
LED数码管
共阴极数码管引脚图
数码管门头
单片机数码管
共阳极数码管
法兰连接
连接
电脑连接打印机步骤图
连接方式
网络连接设备
卡套式连接
键连接
路由器连接
沟槽连接
连接件