首页
伤感说说
动漫配图
心情说说
抖音文案
伤感图片
伤感说说:
伤感的句子说说心情
空间说说
心情说说
爱情说说
女生伤感说说
人生感悟
心情不好的说说
说说带图片
关于生活的说说
说说心情短语
qq空间说说带图片
个性说说
励志名言
一句话经典语录
感悟人生的经典句子
短句吧
情感故事
抖音文案
伤感图片:
伤感图片带字
非主流伤感图片
唯美伤感图片
女生伤感图片
唯美意境图片
悲伤的图片
唯美意境伤感图片
只有字的伤感图片
说说图片
伤心的图片
美甲图片
图片大全
情感图片
微信头像男
动态壁纸
动漫配图
伤感图片
首页
>
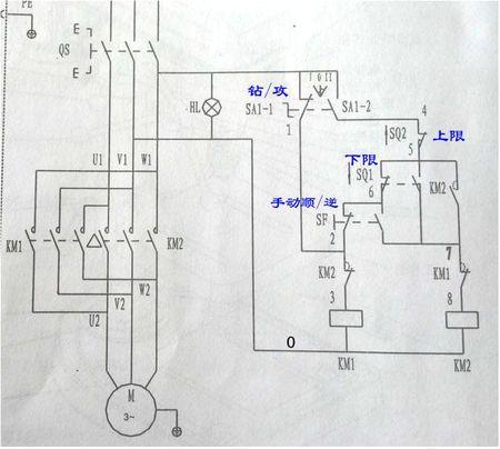
钻攻两用机接线图
钻攻两用机接线图,钻攻两用机电路图
钻攻两用机脚踏开关接线图
cn102445909a_一种钻攻两用机控制电路失效
攻钻两用机,两个接触器互锁怎样接线?
攻钻两用机,两个接触器互锁怎样接线?
攻钻两用机,两个接触器互锁怎样接线?
更多推荐
钻攻两用机电路图
钻攻两用机实物接线图
西湖钻攻两用机接线图
攻丝机正反转接线图
台式钻攻两用机接线图
攻丝机行程开关接线图
台钻接线图图解
台式钻攻两用机电路图
攻丝机电路图讲解
钻床攻丝正反转接线图
电动机改发电机接线图
钻攻两用台钻电路图
钻攻两用机接线图视频
台钻改攻丝机接线图
冲击钻线圈接线图
冲击钻电机接线图
钻攻一体机电路图
钻攻台钻电气原理图
冲击钻定子线圈接线图
钻攻一体钻床电路图
冲击钻开关接线图
钻床攻丝两用机电路图
冲击钻接线图
飞机钻开关实物接线图
飞机钻四孔开关接线图
冲击钻开关接线图解
冲击钻开关接线
接触器接线图
三相四线电表接线图
380v台钻接线图