首页
伤感说说
动漫配图
心情说说
抖音文案
伤感图片
伤感说说:
伤感的句子说说心情
空间说说
心情说说
爱情说说
女生伤感说说
人生感悟
心情不好的说说
说说带图片
关于生活的说说
说说心情短语
qq空间说说带图片
个性说说
励志名言
一句话经典语录
感悟人生的经典句子
短句吧
情感故事
抖音文案
伤感图片:
伤感图片带字
非主流伤感图片
唯美伤感图片
女生伤感图片
唯美意境图片
悲伤的图片
唯美意境伤感图片
只有字的伤感图片
说说图片
伤心的图片
美甲图片
图片大全
情感图片
微信头像男
动态壁纸
动漫配图
伤感图片
首页
>
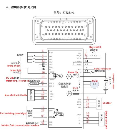
交流控制器接线图
交流控制器接线图,交流电机控制器接线图
mc3526交流电机控制器接线图
电动车智能无刷控制器接线图
正泰的交流接触器接时间控制器接法?
mc3336-7240 交流电机速度控制器 72v 400a 用于 ev
接线图 正文 通过交流接触器(cjx2-0910)控制微电脑水位温度控制器
更多推荐
交流电机控制器接线图
英博尔控制器接线图
控制器3336各脚接线图
凯利控制器插头图解
控制器接线72v
交流控制器3528接线图
控制器接线图实物
控制器接线图
电机控制器接线图
交流器接线图
水位控制器接线图
蓝德控制器接线图
控制器接线
交流接触220接线图
220V交流接触器接线图
kelly交流控制器接线图
控制器接线方法图解
送丝机控制器接线图
控制器接线图72v
电动车控制器接线图
电车控制器接线路图
控制器接线图三轮车
无刷电机控制器接线图
交流控制器
三轮控制器接线图大全
南京远驱控制器接线图
48v无刷控制器接线图
交流接触220接线实物图
凯利四轮控制器接线图
七彩led控制器接线图