首页
伤感说说
动漫配图
心情说说
抖音文案
伤感图片
伤感说说:
伤感的句子说说心情
空间说说
心情说说
爱情说说
女生伤感说说
人生感悟
心情不好的说说
说说带图片
关于生活的说说
说说心情短语
qq空间说说带图片
个性说说
励志名言
一句话经典语录
感悟人生的经典句子
短句吧
情感故事
抖音文案
伤感图片:
伤感图片带字
非主流伤感图片
唯美伤感图片
女生伤感图片
唯美意境图片
悲伤的图片
唯美意境伤感图片
只有字的伤感图片
说说图片
伤心的图片
美甲图片
图片大全
情感图片
微信头像男
动态壁纸
动漫配图
伤感图片
首页
>
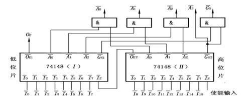
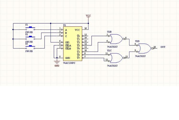
74138译码器
74138译码器,74160引脚图及功能
如果把给定逻辑函数的输入变量连与74138 译码器的a2a1a0输入端相连接
组成原理试题一【附答案】 及74138译码器和其他门电路(门电路自
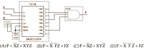
电路图中74138元件为一3对8译码器,则下列哪一个为正确之f的函式?()
如何用译码器设计3人表决器?
译码器 74138
更多推荐
74160引脚图及功能
74153功能表引脚图
74LS138
7448引脚图及功能
74138真值表
非与非门
74138功能表和引脚图
74138全加器逻辑电路图
138译码器 真值表
7448译码器
74hc151功能表和引脚图
74ls00引脚图及功能表
74ls47引脚图及功能
138译码器
74ls138引脚图及功能表
74138译码器 真值表
全加器
74LS138译码器
74194功能表和引脚图
半加器逻辑电路图
74ls47
74ls151逻辑图及真值表
四位全加器
24译码器
74ls138译码器真值表
74ls02引脚图及功能
74LS151
74138译码器原理图
74153译码器
74138译码器逻辑图