首页
伤感说说
动漫配图
心情说说
抖音文案
伤感图片
伤感说说:
伤感的句子说说心情
空间说说
心情说说
爱情说说
女生伤感说说
人生感悟
心情不好的说说
说说带图片
关于生活的说说
说说心情短语
qq空间说说带图片
个性说说
励志名言
一句话经典语录
感悟人生的经典句子
短句吧
情感故事
抖音文案
伤感图片:
伤感图片带字
非主流伤感图片
唯美伤感图片
女生伤感图片
唯美意境图片
悲伤的图片
唯美意境伤感图片
只有字的伤感图片
说说图片
伤心的图片
美甲图片
图片大全
情感图片
微信头像男
动态壁纸
动漫配图
伤感图片
首页
>
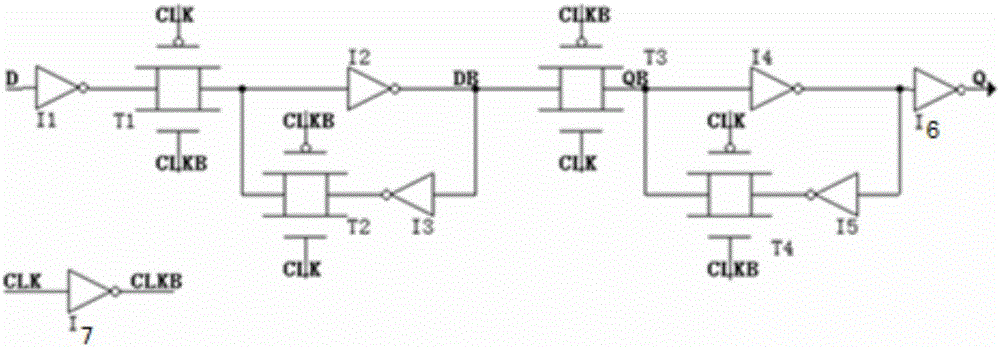
D触发器电路图
D触发器电路图,D触发器波形图
d触发器逻辑电路及符号
电子电路装置的制造及其应用技术 图1为目前最常用的d触发器结构
d触发器原理-d触发器电路图
d触发器
请问双d触发器74ls74制作电路图是怎样的?
更多推荐
D触发器波形图
d触发器电路原理图
D触发器的逻辑电路图
t触发器电路图
d触发器cmos电路原理图
D触发器的版图设计
jk触发器逻辑电路图
jk触发器电路图
触发器电路图
rs触发器电路图
d触发器应用电路图
d触发器内部电路图
d触发器仿真电路图
d触发器实验电路图
d触发器门级电路图
d触发器的逻辑电路图
jk触发器转d电路图
d触发器cadence电路图
d触发器二分频电路图
d触发器接线图
d触发器原理图
d触发器电路图74ls74
d触发器波形图
d触发器电路图cmos
d触发器版图
d触发器逻辑图
t触发器波形图
边沿d触发器原理图
电子触发器
电路图图解