首页
伤感说说
动漫配图
心情说说
抖音文案
伤感图片
伤感说说:
伤感的句子说说心情
空间说说
心情说说
爱情说说
女生伤感说说
人生感悟
心情不好的说说
说说带图片
关于生活的说说
说说心情短语
qq空间说说带图片
个性说说
励志名言
一句话经典语录
感悟人生的经典句子
短句吧
情感故事
抖音文案
伤感图片:
伤感图片带字
非主流伤感图片
唯美伤感图片
女生伤感图片
唯美意境图片
悲伤的图片
唯美意境伤感图片
只有字的伤感图片
说说图片
伤心的图片
美甲图片
图片大全
情感图片
微信头像男
动态壁纸
动漫配图
伤感图片
首页
>
日产颐达电路图
日产颐达电路图,日产颐达继电器说明图
2005年东风日产颐达电路图
2005年东风日产颐达电路图
日产颐达空调电路图
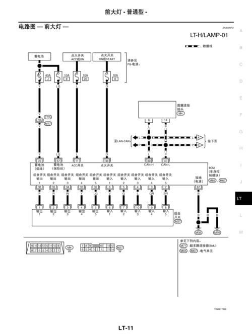
东风日产颐达-照明系统lt
日产hr160de型发动机控制电路图(颐达骏逸轩逸骊威)
更多推荐
日产颐达继电器说明图
日产颐达图片
日产颐达图片内饰
东风日产颐达图片
日产颐达
日产颐达外观
日产颐达改装
日产颐达内饰
日产颐达两厢
日产颐达报价
08年日产颐达
07款日产颐达图片
日产骐达图片
日产颐达仪表盘图解
日产颐达的保险丝图解
日产颐达保险盒图解
东风日产颐达
日产颐达白色
日产颐达图片09款
2010款日产颐达
颐达继电器盒示意图
日产颐达隐藏功能
日产骐达
日产颐达两厢09款
电路图图解
东风日产颐达09款
日产颐达外表颜色大全
电路图讲解和实物图
简单电路图
颐达内饰