首页
伤感说说
动漫配图
心情说说
抖音文案
伤感图片
伤感说说:
伤感的句子说说心情
空间说说
心情说说
爱情说说
女生伤感说说
人生感悟
心情不好的说说
说说带图片
关于生活的说说
说说心情短语
qq空间说说带图片
个性说说
励志名言
一句话经典语录
感悟人生的经典句子
短句吧
情感故事
抖音文案
伤感图片:
伤感图片带字
非主流伤感图片
唯美伤感图片
女生伤感图片
唯美意境图片
悲伤的图片
唯美意境伤感图片
只有字的伤感图片
说说图片
伤心的图片
美甲图片
图片大全
情感图片
微信头像男
动态壁纸
动漫配图
伤感图片
首页
>
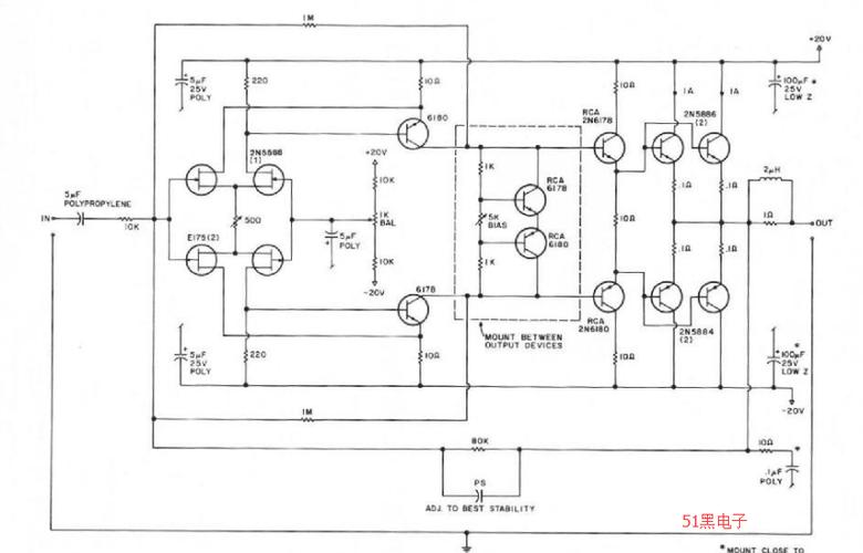
50w纯甲类功放电路图
50w纯甲类功放电路图,1000w专业功放电路图
自制分立元件50w高保真功率放大器电路图
一款可作50w纯甲或150wab类的全互补对称功放
marklevinsonjc3甲类功放电路图
允迪mj2001大功率50w纯甲类mj11032 33发烧hifi后级高保真功放板
20w-50w场效应管单端甲类功放电路设计
更多推荐
1000w专业功放电路图
经典甲类功放电路图
甲类功放电路图
优秀纯甲类功放电路图
单端甲类功放电路图
纯甲类功放电路图
顶级纯甲类功放电路图
进口纯甲类功放电路图
甲类ocl功放电路图
简易甲类功放电路图
300w功放电路图
简易100w功放电路图
晶体管甲类功放电路图
50w自制功放电路图
12v100w功放电路图
全对称100w功放电路图
850功放电路图
2n3055对管功放电路图
2n3055功放简单电路图
纯后级功放机电路图
自制大功率功放电路图
50w最简单功放电路
自制电子管功放电路图
对管功放电路图
功放电路图
简单对管功放电路图
高保真功放电路图
经典纯甲功放电路
经典功放电路图
顶级的1969功放电路图