494逆变器电路图大全,494芯片逆变器电路图
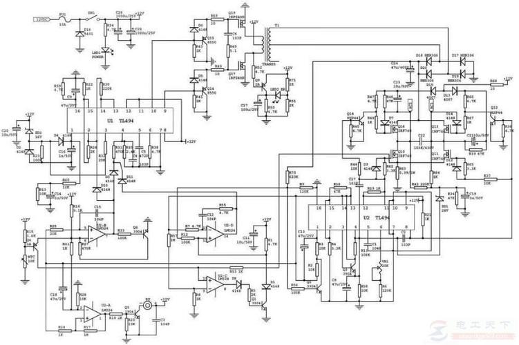
- 494芯片逆变器电路图
- tl494实际电路图
- tl494逆变器电路图
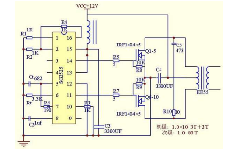
- 3525逆变器电路图大全
- 高频逆变器电路图大全
- 双变压器逆变器电路图
- 24v变220v逆变器电路图
- 大功率逆变器电路图
- 24v逆变器电路图
- 逆变器电路图简单
- 逆变器电路图
- 24v逆变器电路图片
- 老式逆变器电路图
- 12伏逆变器电路图
- 5000w逆变器电路图
- 逆变器后级电路图
- 傻瓜逆变器电路图
- 逆变器电路图50hz
- 逆变器电路图机头
- 逆变器电路图自制
- 纯正弦波逆变器电路图
- 逆变器工作原理电路图
- 自制高频逆变器电路图
- 场效应管逆变器电路图
- 12v1000w逆变器电路图
- 打鱼机逆变器电路图
- 3525低频逆变器电路图
- 50hz逆变器h桥电路图
- 捕鱼器电路图纸大全
- tl494逆变2000w电路图





