首页
伤感说说
动漫配图
心情说说
抖音文案
伤感图片
伤感说说:
伤感的句子说说心情
空间说说
心情说说
爱情说说
女生伤感说说
人生感悟
心情不好的说说
说说带图片
关于生活的说说
说说心情短语
qq空间说说带图片
个性说说
励志名言
一句话经典语录
感悟人生的经典句子
短句吧
情感故事
抖音文案
伤感图片:
伤感图片带字
非主流伤感图片
唯美伤感图片
女生伤感图片
唯美意境图片
悲伤的图片
唯美意境伤感图片
只有字的伤感图片
说说图片
伤心的图片
美甲图片
图片大全
情感图片
微信头像男
动态壁纸
动漫配图
伤感图片
首页
>
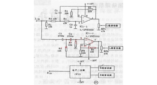
自制二分频器电路图
自制二分频器电路图,二分频器电路图解
(完整版)ne5532构成的电子二分频功率放大器电路图
ne5532构成的电子二分频功率放大器电路图(最新整理)
电容,音响 我想在12寸250~300w喇叭上加个低频分频器
专业二分频 lop-270c
音响分频器电路
更多推荐
二分频器电路图解
最好的二分频器电路图
音箱二分频器制作
15寸二分频器电路图
惠威分频器电路图
分频器图纸
二路分频器接线图
自制分频器电感线圈
顶级音箱分频器电路图
分频器电路原理图
音箱分频器设计与制作
最著名的二分频电路图
分频器电路图
专业二分频器电路图
二分频器电路图
丹拿二分频器电路图
惠威二分频器电路图
分频点电容对照表
二分频电路
二分频器电路图 原理
丹拿分频器线路图
经典二分频器电路图
发烧级二分频器电路图
自制二分频器
二分频电路图
自制三分频器电路图
三分频器电路图
高档三分频器电路图
二分频器制作图解
高保真三分频器电路图