首页
伤感说说
动漫配图
心情说说
抖音文案
伤感图片
伤感说说:
伤感的句子说说心情
空间说说
心情说说
爱情说说
女生伤感说说
人生感悟
心情不好的说说
说说带图片
关于生活的说说
说说心情短语
qq空间说说带图片
个性说说
励志名言
一句话经典语录
感悟人生的经典句子
短句吧
情感故事
抖音文案
伤感图片:
伤感图片带字
非主流伤感图片
唯美伤感图片
女生伤感图片
唯美意境图片
悲伤的图片
唯美意境伤感图片
只有字的伤感图片
说说图片
伤心的图片
美甲图片
图片大全
情感图片
微信头像男
动态壁纸
动漫配图
伤感图片
首页
>
板式平焊法兰图片cad
板式平焊法兰图片cad,板式平焊法兰图片
美标带颈平焊法兰
缺点:较板式平焊法兰而言造价更高,由于其形状的特点在运输途中更
带颈平焊法兰草图
1.板式平焊法兰
板式平焊法兰(化工标准hg20592,国家标准gb/t9119,机械jb/t81).
更多推荐
板式平焊法兰图片
板式平焊法兰焊接
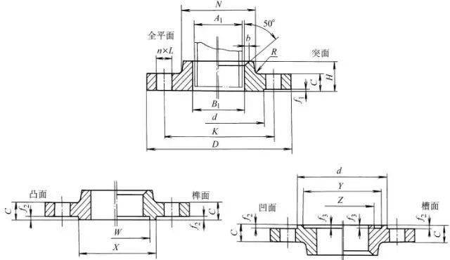
板式平焊法兰结构图
板式平焊法兰
板式平焊法兰标准
板式平焊法兰代号
板式平焊突面法兰
平焊法兰焊接图
平焊法兰图片大全
带颈平焊法兰图片
平焊法兰焊接
法兰cad图纸
平焊环松套法兰图片
平焊法兰
平焊法兰尺寸表
带颈平焊法兰
乙型平焊法兰
甲型平焊法兰
法兰平面图
平焊和对焊的区别图
法兰图纸
平焊焊接
平焊图片
标准法兰图纸
常用法兰图纸
电焊平焊
平焊手法图
法兰垫片
对焊法兰
盲板法兰