首页
伤感说说
动漫配图
心情说说
抖音文案
伤感图片
伤感说说:
伤感的句子说说心情
空间说说
心情说说
爱情说说
女生伤感说说
人生感悟
心情不好的说说
说说带图片
关于生活的说说
说说心情短语
qq空间说说带图片
个性说说
励志名言
一句话经典语录
感悟人生的经典句子
短句吧
情感故事
抖音文案
伤感图片:
伤感图片带字
非主流伤感图片
唯美伤感图片
女生伤感图片
唯美意境图片
悲伤的图片
唯美意境伤感图片
只有字的伤感图片
说说图片
伤心的图片
美甲图片
图片大全
情感图片
微信头像男
动态壁纸
动漫配图
伤感图片
首页
>
美的冰箱电路图
美的冰箱电路图,美的冰箱电路图详解
电冰箱电路图
美的bcd-306wem/bcd-336wem冰箱维修相关资料
美的bcd-306wem/bcd-336wem冰箱维修相关资料
美的冰箱sdf0.8 3/2脉冲电磁阀电路图
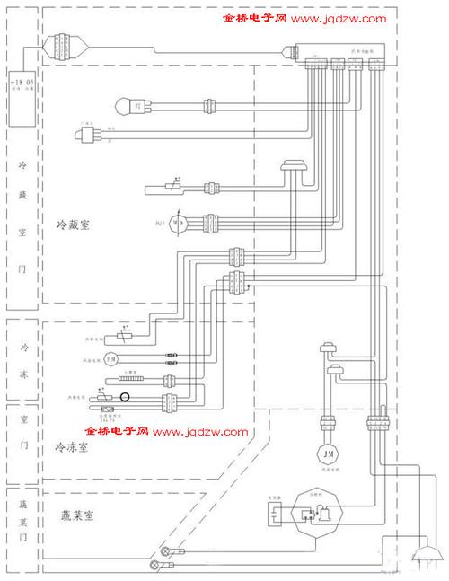
美的bcd-336wem多开门电冰箱电路图
更多推荐
美的冰箱电路图详解
美的冰箱结构图拆解图
电冰箱电路图原理图
美的冰箱线路实拍图
美菱冰箱电路图
电冰箱的简易电路图
电冰箱电路实物图
冰箱电路图
家用冰箱电路图
海尔冰箱电路图
风冷冰箱电路图
容声冰箱电路图
冰箱电路图简化
冰箱电路图工作原理图
海尔冰箱电源板电路图
冰箱压缩机电路图
冰箱电路图详细讲解
冰箱温控电路图及原理
电路图图解
电冰箱接线原理图
电饭锅电路图
空调电路图
电路图
电路图讲解和实物图
开关电源电路图及原理
电路图实物
简单电路图
并联电路图
电路图入门
电路图设计