ncp1252a电路图,1252a电路图

启达启臣微cr1252a替ncp1252a应用于正激工作的电流

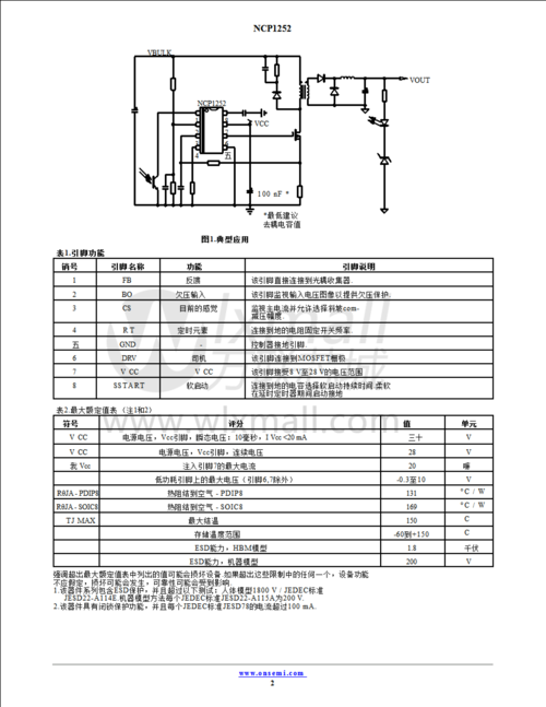
ncp1252adr2g_引脚图_电路图(2/10)_on - 万联芯城

3v形成电路分析 ncp1251a电路图.jpg

启达启臣微cr1252a替ncp1252a应用于正激工作的电流

将原来的变压器完全拆了,磁芯为ec35/42,控制ic为ncp1216ap65.
- 1252a电路图
- 1252a开关电源电路图
- ncp1251电源电路图
- ncp1252电源电路图
- ncp1337p电源电路图
- ncp1252a开关电源电路图
- ncp1207a电源电路图
- ob2228ncp电路图
- ncp1607a电源电路图
- ncp1252a典型应用电路图
- 1271a电源电路图
- 电源芯片ob2228ncp电路图
- 5218a电路图
- ncp1252a电源原理图
- p1337开关电源电路图
- ob2263开关电源电路图
- 贴片2018a电路图
- a6069h电源电路图
- 电源芯片ob2228电路图
- bp2831a应用电路图
- p1337电源芯片电路图
- tda1514a功放电路图
- 电源芯片1207ap电路图
- 1207ap应用电路图
- tda2030a最优电路图
- sg3525a逆变驱动电路图
- 电源芯片1377bp电路图
- 1207ap引脚功能电路图
- tda2030电路图
- 电路图
