首页
伤感说说
动漫配图
心情说说
抖音文案
伤感图片
伤感说说:
伤感的句子说说心情
空间说说
心情说说
爱情说说
女生伤感说说
人生感悟
心情不好的说说
说说带图片
关于生活的说说
说说心情短语
qq空间说说带图片
个性说说
励志名言
一句话经典语录
感悟人生的经典句子
短句吧
情感故事
抖音文案
伤感图片:
伤感图片带字
非主流伤感图片
唯美伤感图片
女生伤感图片
唯美意境图片
悲伤的图片
唯美意境伤感图片
只有字的伤感图片
说说图片
伤心的图片
美甲图片
图片大全
情感图片
微信头像男
动态壁纸
动漫配图
伤感图片
首页
>
五菱之光点火线路图
五菱之光点火线路图,五菱之光点火锁图解
2013五菱之光电路图04-电路示意图
2013五菱之光电路图04-电路示意图
2013五菱之光电路图04-电路示意图
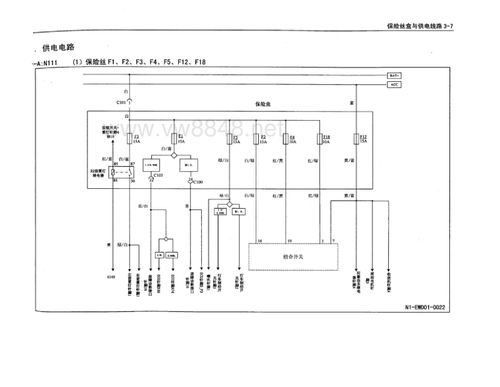
2013五菱之光电路图03-保险丝与供电
五菱之光6376e3点火线圈的顺序怎样插
更多推荐
五菱之光点火锁图解
老款五菱之光电路图
五菱之光电路图详解
五菱之光高压线顺序图
五菱之光6376线路图
五菱之光分缸线插法
五菱之光6376电路图
五菱之光高清电路图
五菱之光电路图
五菱之光全车线路图
五菱之光线路图
五菱之光线路图解
五菱之光仪表盘线路图
五菱之光空调线路图
五菱之光双闪灯线路图
五菱之光音响线路图
五菱之光ac开关线路图
五菱之光转向灯接线图
五菱之光空调接线图
五菱之光面包车电路图
五菱之光图解
五菱之光空调电路图
五菱之光故障灯图解
五菱之光音响线图解
五菱之光保险盒图解
五菱之光图片
五菱之光6390
五菱之光内饰图片
五菱之光s
五菱之光空调继电器图