首页
伤感说说
动漫配图
心情说说
抖音文案
伤感图片
伤感说说:
伤感的句子说说心情
空间说说
心情说说
爱情说说
女生伤感说说
人生感悟
心情不好的说说
说说带图片
关于生活的说说
说说心情短语
qq空间说说带图片
个性说说
励志名言
一句话经典语录
感悟人生的经典句子
短句吧
情感故事
抖音文案
伤感图片:
伤感图片带字
非主流伤感图片
唯美伤感图片
女生伤感图片
唯美意境图片
悲伤的图片
唯美意境伤感图片
只有字的伤感图片
说说图片
伤心的图片
美甲图片
图片大全
情感图片
微信头像男
动态壁纸
动漫配图
伤感图片
首页
>
潜水泵接线图
潜水泵接线图,潜水泵接线图 单相
单相潜水泵线路到底怎么接
潜水泵浮球开关的接法
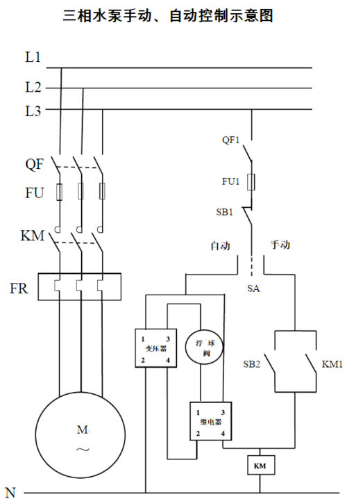
用一个浮球和一个交流接触器手动自动控制三相潜水泵接线图
谁有用一个浮球自动控制一台三相潜水泵接线图?
用一个浮球和一个交流接触器手动自动控制三相潜水泵接线图
更多推荐
潜水泵接线图 单相
220v潜水泵接线方法
潜水泵接线
潜水泵接线图 三相
220v潜水泵接线图
单相水泵三根线接线图
三相四线潜水泵接线图
潜水泵电容接线图
220v水泵电容接法
潜水泵电容怎么接
380v水泵三根接线图
潜水泵接线图三相
潜水泵接线图单相
潜水泵控制箱接线图
家用单相潜水泵接线图
三相四线水泵接线图解
两相潜水泵电容接线图
潜水泵图片
220v井用潜水泵接线图
接触器接线图
交流接触器接线图
220v水泵电容接线图
单相潜水泵
水泵电容怎么接线图解
卧式潜水泵
直流潜水泵
220v自动抽水泵接线图
小型潜水泵
井用潜水泵
微型潜水泵