首页
伤感说说
动漫配图
心情说说
抖音文案
伤感图片
伤感说说:
伤感的句子说说心情
空间说说
心情说说
爱情说说
女生伤感说说
人生感悟
心情不好的说说
说说带图片
关于生活的说说
说说心情短语
qq空间说说带图片
个性说说
励志名言
一句话经典语录
感悟人生的经典句子
短句吧
情感故事
抖音文案
伤感图片:
伤感图片带字
非主流伤感图片
唯美伤感图片
女生伤感图片
唯美意境图片
悲伤的图片
唯美意境伤感图片
只有字的伤感图片
说说图片
伤心的图片
美甲图片
图片大全
情感图片
微信头像男
动态壁纸
动漫配图
伤感图片
首页
>
本田凌派保险盒图解
本田凌派保险盒图解,本田凌派保险盒对照表
珠海凌派~波士~冰蓝日行灯,保险丝取电,保证你们看完贴都懂了
2014款广汽本田凌派汽车维修手册带电路图维修资料
看到就是学到 凌派保险丝取电改装教程
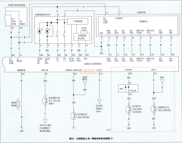
本田凌派轿车电路图
看到就是学到 凌派保险丝取电改装教程
更多推荐
本田凌派保险盒对照表
本田凌派保险盒说明图
16款凌派保险丝盒图解
凌派保险丝对照表
凌派保险丝盒中文图解
本田凌派保险盒
本田凌派保险盒示意图
凌派继电器盒中文图解
14年凌派保险丝图解
19款凌派保险丝对照表
本田保险丝盒中文图解
本田凌派继电器说明书
本田凌派保险丝盒
本田凌派1.8保险丝图解
14款凌派保险盒对照表
凌派点烟器保险丝图案
14款凌派机舱保险图解
本田凌派图片
本田凌派
本田凌派故障灯详解
本田凌派内饰
凌派图解
广汽本田凌派
crider本田凌派
本田凌派2021款图片
本田凌派报价
本田凌派黑色
本田凌派故障
本田凌派参数配置
本田凌派车展