首页
伤感说说
动漫配图
心情说说
抖音文案
伤感图片
伤感说说:
伤感的句子说说心情
空间说说
心情说说
爱情说说
女生伤感说说
人生感悟
心情不好的说说
说说带图片
关于生活的说说
说说心情短语
qq空间说说带图片
个性说说
励志名言
一句话经典语录
感悟人生的经典句子
短句吧
情感故事
抖音文案
伤感图片:
伤感图片带字
非主流伤感图片
唯美伤感图片
女生伤感图片
唯美意境图片
悲伤的图片
唯美意境伤感图片
只有字的伤感图片
说说图片
伤心的图片
美甲图片
图片大全
情感图片
微信头像男
动态壁纸
动漫配图
伤感图片
首页
>
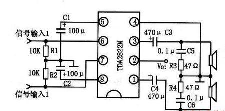
tda2822
tda2822,4871功放电路图
简单易制的tda2822m功放
基于集成电路tda2822制作的助听器
tda2822经典小功放再现
用tda2822m怎么做功放?要电路图
usb供电普遍使用低电压放大电路tda2822m
更多推荐
4871功放电路图
tda1521功放参数
tda7293
tda2822M
TDA2030
d2822功放电路图
tda2822功放
tda7498
tda2003功放参数
tda1521
tda2030引脚图
2030a功放电路图
8002b功放芯片参数
tda7297功放参数
tda2822引脚图及功能
ne5532
tda2822m单声道电路图
tda2003
音响电路图及工作原理
tda7850
tda2822内部电路图
tda7294参数
2822功放电路图大全
tda2822引脚
tda2822功放电路
tda2822m真实电路图
tda2822m功放电路图
tda2822电路图
tda2822引脚图
最简单2822功放电路图