首页
伤感说说
动漫配图
心情说说
抖音文案
伤感图片
伤感说说:
伤感的句子说说心情
空间说说
心情说说
爱情说说
女生伤感说说
人生感悟
心情不好的说说
说说带图片
关于生活的说说
说说心情短语
qq空间说说带图片
个性说说
励志名言
一句话经典语录
感悟人生的经典句子
短句吧
情感故事
抖音文案
伤感图片:
伤感图片带字
非主流伤感图片
唯美伤感图片
女生伤感图片
唯美意境图片
悲伤的图片
唯美意境伤感图片
只有字的伤感图片
说说图片
伤心的图片
美甲图片
图片大全
情感图片
微信头像男
动态壁纸
动漫配图
伤感图片
首页
>
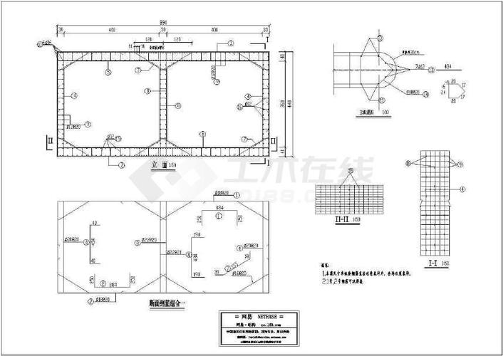
箱涵图纸详解图
箱涵图纸详解图,涵洞工程图纸入门
[分享]预制箱涵设计图纸资料免费下载
现浇箱涵剖面及配筋图 - 涵洞尾水口图纸下载 - 沐风
词: 箱涵设计计算箱涵设计图纸钢筋混凝土箱涵箱涵图纸详解图
6m钢筋混凝土箱涵设计施工图
箱涵构造图通用图_通道涵身等构造图
更多推荐
涵洞工程图纸入门
箱涵图片
盖板涵结构图的讲解
箱涵结构图
箱涵标准钢筋图集
箱涵顶管施工
箱涵施工图
箱涵钢筋现场绑扎图片
箱涵钢筋配筋图解
双孔箱涵钢筋图集
箱涵钢筋绑扎图
箱涵支模图片
箱涵各部位名称及图解
箱涵模板施工单价
箱涵钢筋
箱涵标准图集
箱涵模板清包工单价
箱涵图集
箱涵底板内倒角模板图
箱涵止水带
箱涵图纸讲解
桥梁箱梁图纸详解图
桥梁图纸详解图
t梁图纸详解图
箱涵图纸
箱涵结构图详解
钢箱梁桥梁图纸详解图
水闸图纸详解图
圆管涵图纸详解
钢结构图纸识图详解