首页
伤感说说
动漫配图
心情说说
抖音文案
伤感图片
伤感说说:
伤感的句子说说心情
空间说说
心情说说
爱情说说
女生伤感说说
人生感悟
心情不好的说说
说说带图片
关于生活的说说
说说心情短语
qq空间说说带图片
个性说说
励志名言
一句话经典语录
感悟人生的经典句子
短句吧
情感故事
抖音文案
伤感图片:
伤感图片带字
非主流伤感图片
唯美伤感图片
女生伤感图片
唯美意境图片
悲伤的图片
唯美意境伤感图片
只有字的伤感图片
说说图片
伤心的图片
美甲图片
图片大全
情感图片
微信头像男
动态壁纸
动漫配图
伤感图片
首页
>
74138
74138,74160引脚图及功能
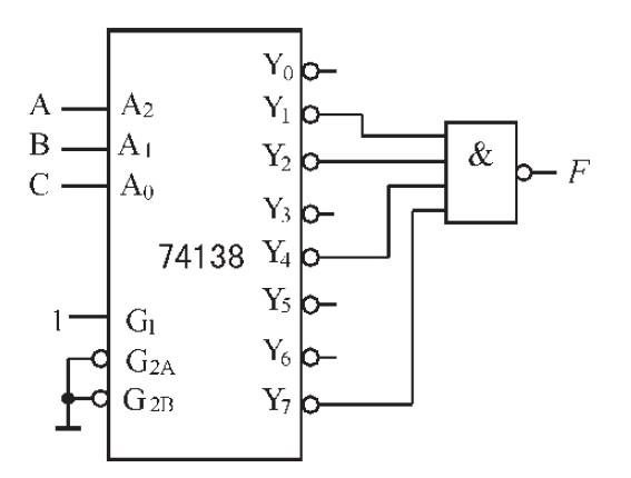
如果把给定逻辑函数的输入变量连与74138 译码器的a2a1a0输入端相连接
74138
74138引脚图及其真值表
【2021.03.11】数字电路之常用组合逻辑器件,触发器
一位全加器 74138
更多推荐
74160引脚图及功能
74ls290
74148
74153功能表引脚图
74LS138
7448引脚图及功能
74138真值表
74151引脚图
74373引脚图和功能
74138全加器逻辑电路图
74138功能表和引脚图
74138引脚图及功能
74ls138引脚图与真值表
74160
74ls139逻辑电路图
74LS138引脚图
译码器
138译码器
74ls138引脚图及功能表
74ls32
74ls151真值表
74ls138引脚图及功能
74138引脚图
74194功能表和引脚图
74ls48真值表
74ls147
74LS139引脚图
74138芯片
74148引脚图
74ls153