首页
伤感说说
动漫配图
心情说说
抖音文案
伤感图片
伤感说说:
伤感的句子说说心情
空间说说
心情说说
爱情说说
女生伤感说说
人生感悟
心情不好的说说
说说带图片
关于生活的说说
说说心情短语
qq空间说说带图片
个性说说
励志名言
一句话经典语录
感悟人生的经典句子
短句吧
情感故事
抖音文案
伤感图片:
伤感图片带字
非主流伤感图片
唯美伤感图片
女生伤感图片
唯美意境图片
悲伤的图片
唯美意境伤感图片
只有字的伤感图片
说说图片
伤心的图片
美甲图片
图片大全
情感图片
微信头像男
动态壁纸
动漫配图
伤感图片
首页
>
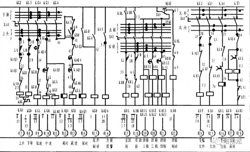
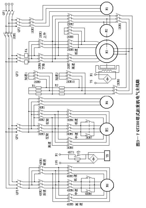
塔吊线路图及原理
塔吊线路图及原理,塔吊配电箱接线清楚图
【知识篇】塔吊电路分析
[转载]塔式起重机电气控制线路
那位朋友有塔吊的电路图麻烦了
知识片中联塔吊tc55106g电路原理图与维修
【知识篇】杭州华诚tc5510塔吊电路原理图与维修
更多推荐
塔吊配电箱接线清楚图
塔吊电路图维修图解
塔吊电路维修技术图解
塔吊配电箱接线图
塔吊电路图大全
塔吊一二三档接线图
学看塔吊电路图
塔吊线路图
塔吊控制线路图
塔吊电箱线路图
塔吊电气原理图及详解
塔吊电路实际接线图
塔吊电路接线图讲解
塔吊配电箱线路图详解
塔吊专用配电箱线路图
塔吊配电柜控制线路图
塔吊电机接线图
63塔吊电路图维修图解
塔吊配电箱电路图
中联塔吊配电箱接线图
塔吊配电箱系统图
塔吊配电箱实物图
塔吊十不吊
塔吊图片
塔吊
塔吊怎么上去
塔吊专用配电箱图片
塔吊结构
80塔吊
大塔吊