首页
伤感说说
动漫配图
心情说说
抖音文案
伤感图片
伤感说说:
伤感的句子说说心情
空间说说
心情说说
爱情说说
女生伤感说说
人生感悟
心情不好的说说
说说带图片
关于生活的说说
说说心情短语
qq空间说说带图片
个性说说
励志名言
一句话经典语录
感悟人生的经典句子
短句吧
情感故事
抖音文案
伤感图片:
伤感图片带字
非主流伤感图片
唯美伤感图片
女生伤感图片
唯美意境图片
悲伤的图片
唯美意境伤感图片
只有字的伤感图片
说说图片
伤心的图片
美甲图片
图片大全
情感图片
微信头像男
动态壁纸
动漫配图
伤感图片
首页
>
单结晶体管触发电路
单结晶体管触发电路,单结晶体管振荡电路
单结晶体管触发电路
单结晶体管触发电路
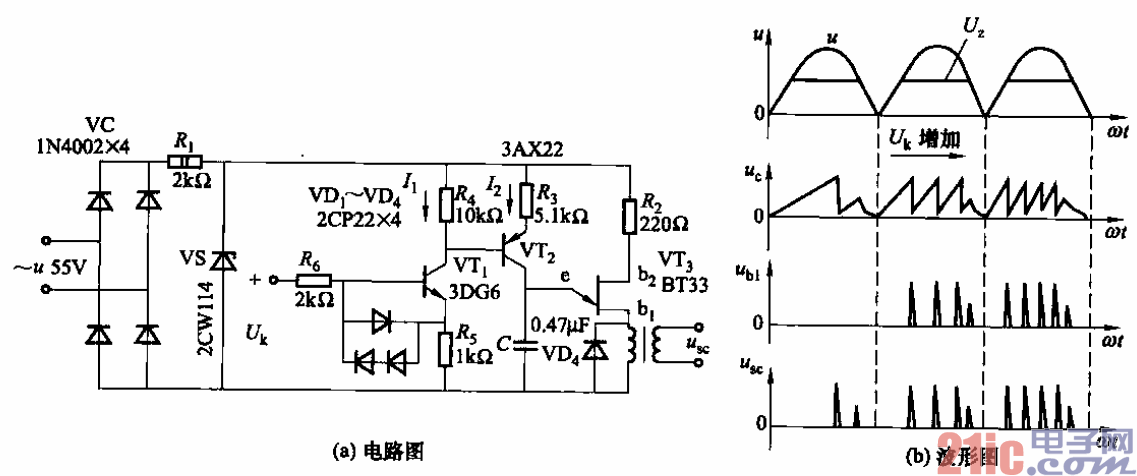
单结晶体管触发电路之一
利用单结晶体管组成的触发电路
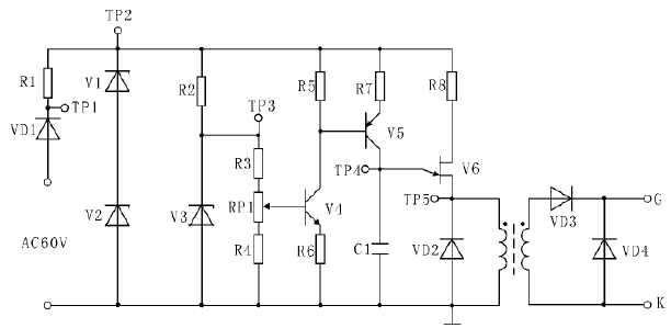
单结晶体管触发电路之二
更多推荐
单结晶体管振荡电路
直流斩波电路
单相桥式全控整流电路
双向晶闸管
单结晶体管
单相桥式半控整流电路
触发电路
单结晶体管触发电路图
可控硅触发电路
bt33触发电路图
单结晶体管结构图
单结晶体管引脚图
单结晶体管bt33引脚
正电回路触发接线图
bt33单结晶体管引脚图
单结晶体管管脚
单结晶体管符号
晶振电路
单结晶体管的图形符号
单线串联负触发接线图
电机正反转控制电路图
电路
双电位负触发接线图
三相可控硅触发板
全波整流电路
整流电路
控制电路
简单电路
逆变电路
电路图